Operation CHARM: Car repair manuals for everyone.

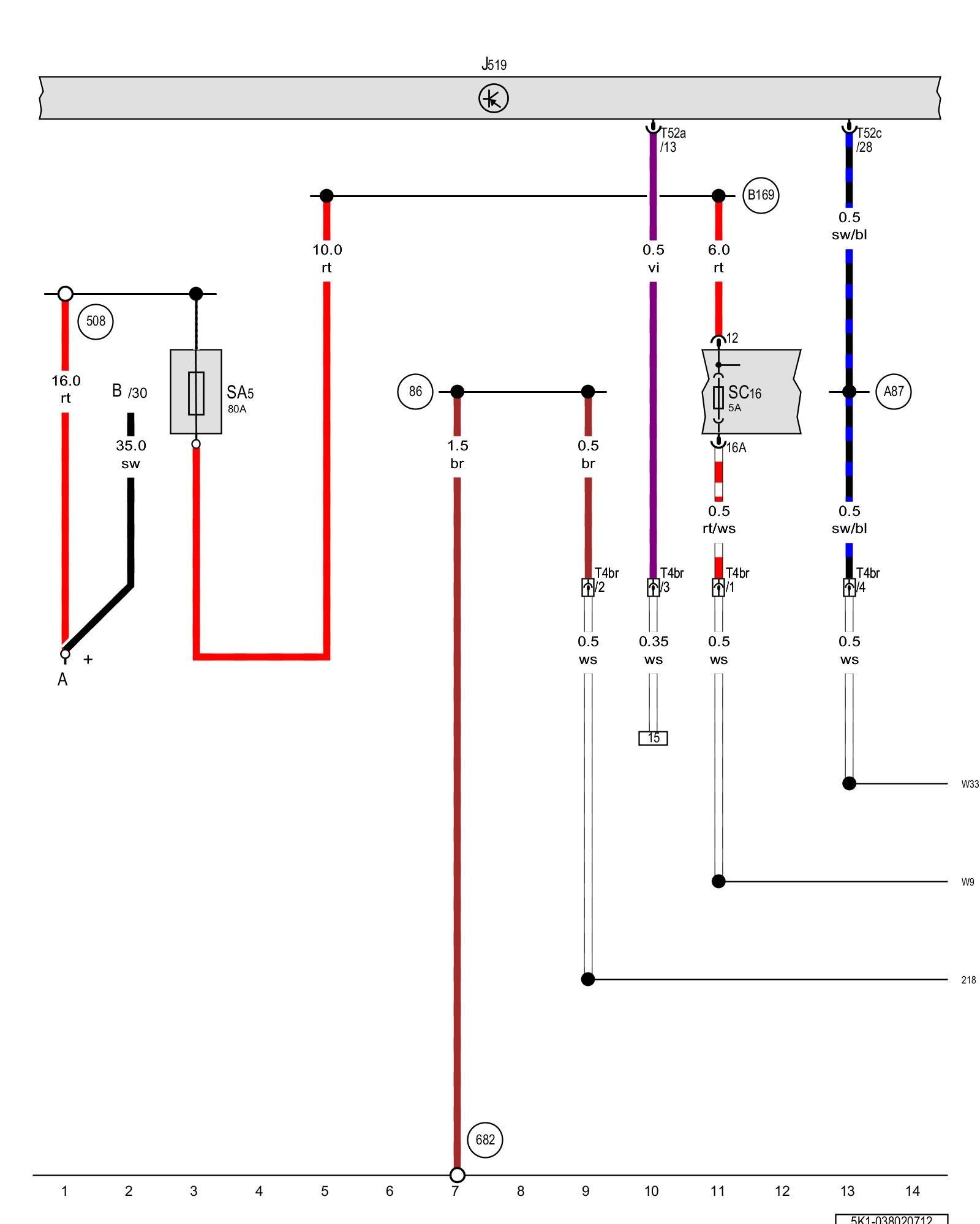
Diagram 38/2 (Tracks 1-14)






IMPORTANT NOTE:
This manufacturer uses "Track" style wiring diagrams.
For information on how to use these diagrams effectively, please refer to Diagram Information and Instructions. Diagram Information and Instructions


Vehicle electrical system control module, Fuse 5 (on fuse panel A), Fuse 16 (on fuse panel C)





ws = white
sw = black
ro = red
br = brown
gn = green
bl = blue
gr = grey
li = lilac
ge = yellow
or = orange
rs = pink

A - Battery

B - Starter

J519 - Vehicle electrical system control module Control modules in front part of vehicle - Overview of Control Modules

SA5 - Fuse 5 (on fuse panel A) Fuse overview (SA), (SB), (SC)

SC16 - Fuse 16 (on fuse panel C) Fuse overview (SA), (SB), (SC)

T4br - 4-pin connector, behind the right C-pillar trim panel Overview of connector stations and connectors

T52a - 52-pin connector

T52c - 52-pin connector

(86) - Ground connection 1 (in rear wiring harness)

(218) - Ground connection 1 (in rear lid wiring harness)

(508) - Terminal 30 threaded connection (on E-box)

(682) - Ground connection 2 in right rear side panel Overview Of Ground Connections in Luggage Compartment

(A87) - Back-up lamp connection (in instrument panel wiring harness)

(B169) - Positive connection 1 (30) (in interior wiring harness)

(W9) - Positive connection 1 (30) (in rear wiring harness)

(W33) - Back-up lamp connection (in rear lid wiring harness)

Next Diagram 38/3 (Tracks 15-28)