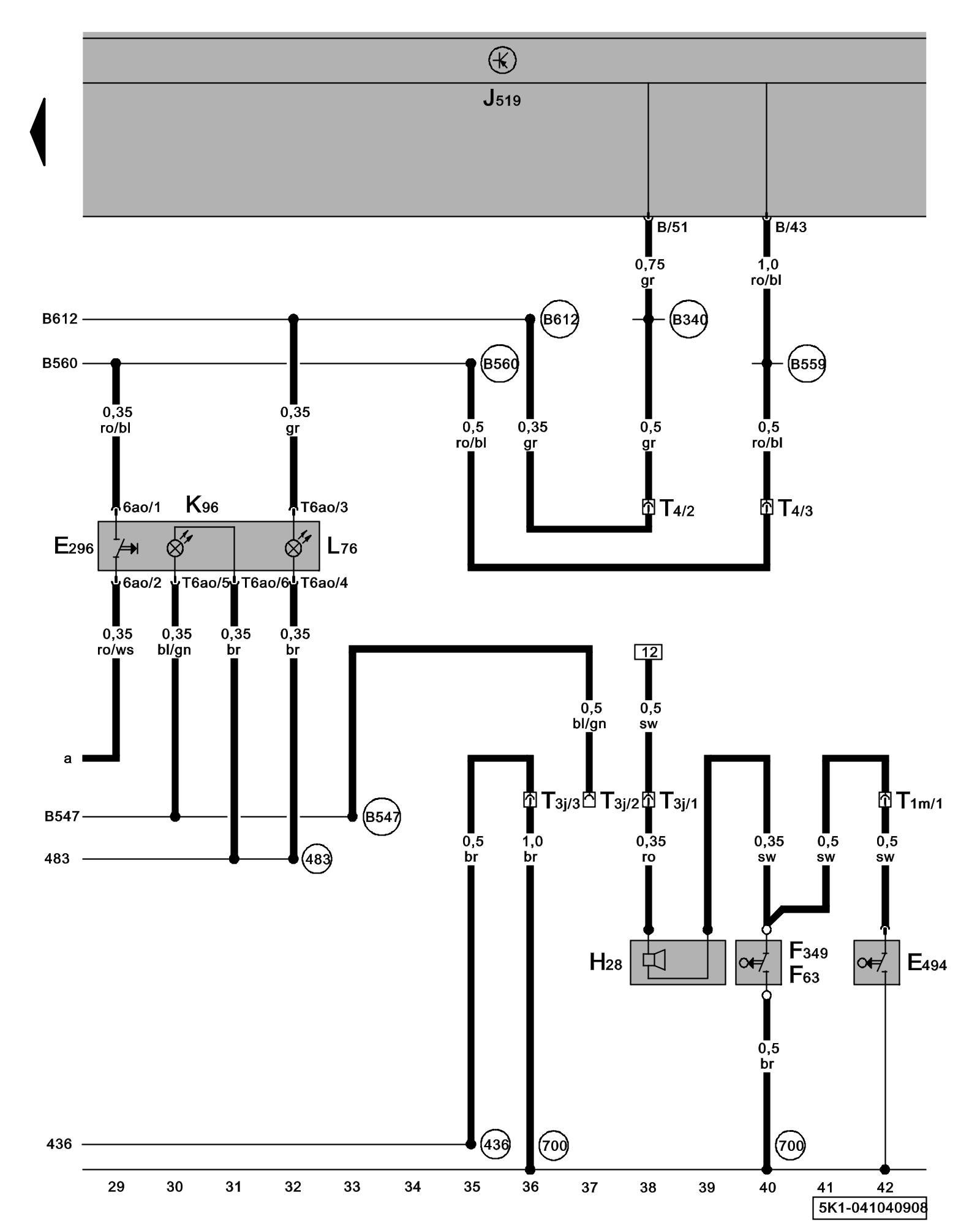
Diagram 41/4 (Tracks 29-42)
IMPORTANT NOTE:
This manufacturer uses "Track" style wiring diagrams.
For information on how to use these diagrams effectively, please refer to Diagram Information and Instructions. Diagram Information and Instructions
Warning Buzzer Switch, Driving School Operation Warning Buzzer, Driving School Gas Pedal Switch, Front Passenger's Warning Buzzer Clutch and Brake Pedal Switch

ws = white
sw = black
ro = red
br = brown
gn = green
bl = blue
gr = grey
li = lilac
ge = yellow
or = orange
rs = pink
E296 - Warning Buzzer Switch
E494 - Driving School Gas Pedal Switch
F63 - Front Passenger's Warning Buzzer Brake Pedal Switch
F349 - Front Passenger's Warning Clutch Pedal Switch
K96 - Warning Lamp
L76 - Push Button Illumination
H28 - Driving School Operation Warning Buzzer
J519 - Vehicle Electrical System Control Module Control modules in front part of vehicle - Overview of Control Modules
T1m - Single Connector, near warning buzzer
T3j - 3-Pin Connector, under instrument panel, right
T4 - 4-Pin Connector
T6ao - 6-Pin Connector
(436) - Ground Connection 1 (in driving school wiring harness)
(483) - Ground Connection 3 (in driving school wiring harness)
(700) - Ground Connection (on driving school accelerator pedal)
(B340) - Connection 1 (58d) (in main wiring harness)
(B547) - Connection 1 (in driving school wiring harness)
(B559) - Plus Connection 1 (30g) (in main wiring harness)
(B560) - Plus Connection 1 (30g) (in driving school wiring harness)
(B612) - Plus Connection (58d) (in driving school wiring harness)
Previous Diagram 41/3 (Tracks 15-28)