Operation CHARM: Car repair manuals for everyone.

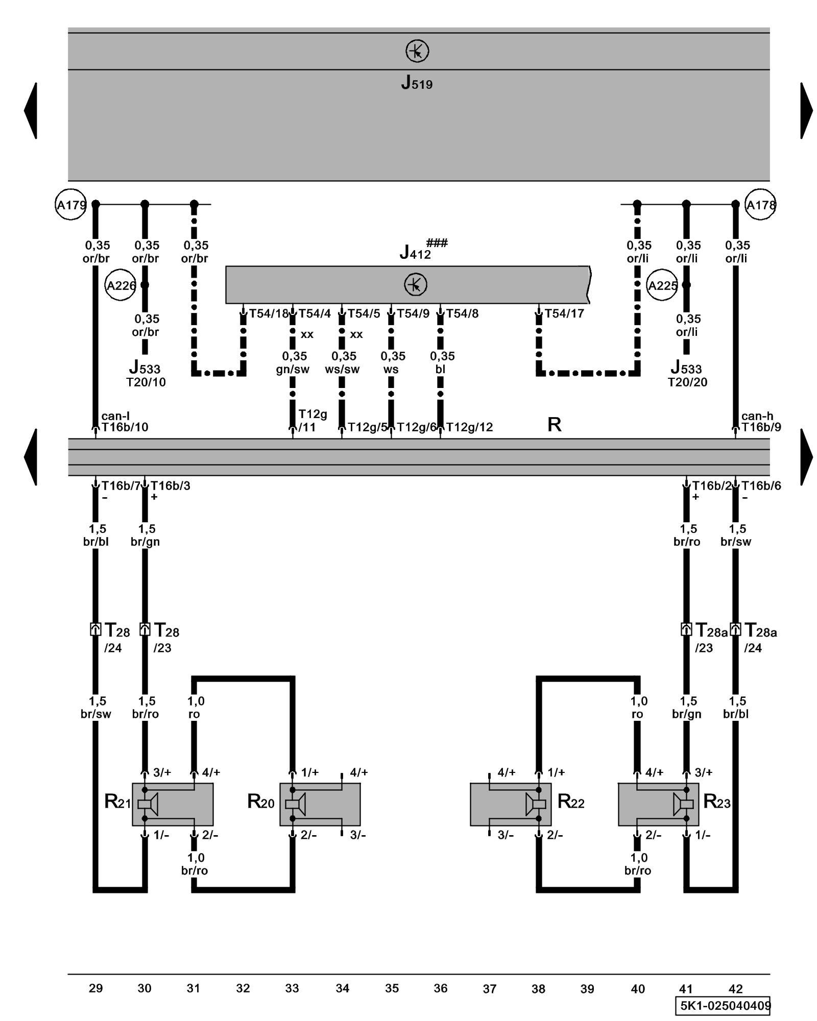
Diagram 25/4 (Tracks 29-42)






IMPORTANT NOTE:
This manufacturer uses "Track" style wiring diagrams.
For information on how to use these diagrams effectively, please refer to Diagram Information and Instructions. Diagram Information and Instructions


Radio, Front Speaker, Operating Electronics and Telephone Control Module





ws = white
sw = black
ro = red
br = brown
gn = green
bl = blue
gr = grey
li = lilac
ge = yellow
or = orange
rs = pink

J412 - Operating Electronics and Telephone Control Module Control Modules in The Rear Of The Vehicle

J519 - Vehicle Electrical System Control Module Control modules in front part of vehicle - Overview of Control Modules

J533 - Data Bus On Board Diagnostic Interface Control modules in front part of vehicle - Overview of Control Modules

R - Radio
Locations

R20 - Left Front Treble Speaker
Locations

R21 - Left Front Bass Speaker
Locations

R22 - Right Front Treble Speaker
Locations

R23 - Right Front Bass Speaker
Locations

T12g - 12-Pin Connector

T16b - 16-Pin Connector

T20 - 20-Pin Connector

T28 - 28-Pin Connector, connector station A-pillar, left Overview of connector stations and connectors

T28a - 28-Pin Connector, connector station A-pillar, right Overview of connector stations and connectors

T54 - 54-Pin Connector

(A178) - Infotainment High-Bus Connection (in instrument panel wiring harness)

(A179) - Infotainment Low-bus Connection (in instrument panel wiring harness)

(A225) - Infotainment High-Bus Connection 2 (in instrument panel wiring harness)

(A226) - Infotainment Low-bus Connection 2 (in instrument panel wiring harness)

### - Components not available on system preparation

-^- - Only models with telephone/ telephone preparation

xx - Only Universal Cellular Telephone Preparation (UHV) Low

Previous Diagram 25/3 (Tracks 15-28)

Next Diagram 25/5 (Tracks 43-56)