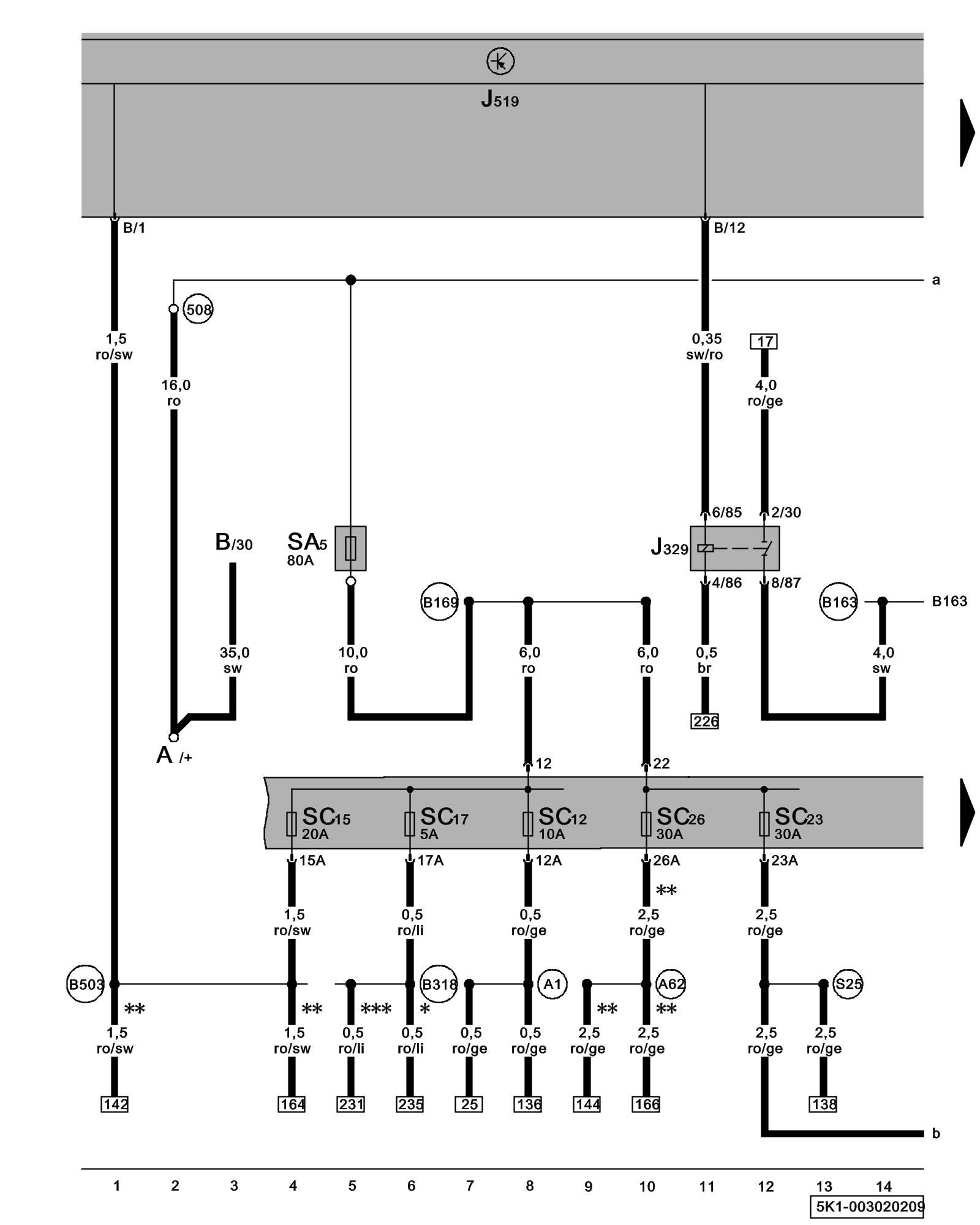
Diagram 3/2 (Tracks 1-14)
IMPORTANT NOTE:
This manufacturer uses "Track" style wiring diagrams.
For information on how to use these diagrams effectively, please refer to Diagram Information and Instructions. Diagram Information and Instructions
Power Supply Relay (terminal 15), Fuses

ws = white
sw = black
ro = red
br = brown
gn = green
bl = blue
gr = grey
li = lilac
ge = yellow
or = orange
rs = pink
A - Battery
B - Starter
J329 - Power Supply Relay (terminal 15) (53) Overview Of Relay Carrier
J519 - Vehicle Electrical System Control Module Control modules in front part of vehicle - Overview of Control Modules
SA5 - Fuse 5 (on fuse panel A) Fuse overview (SA), (SB), (SC)
SC12 - Fuse 12 (on fuse panel C) Fuse overview (SA), (SB), (SC)
SC15 - Fuse 15 (on fuse panel C) Fuse overview (SA), (SB), (SC)
SC17 - Fuse 17 (on fuse panel C) Fuse overview (SA), (SB), (SC)
SC23 - Fuse 23 (on fuse panel C) Fuse overview (SA), (SB), (SC)
SC26 - Fuse 26 (on fuse panel C) Fuse overview (SA), (SB), (SC)
(508) - Threaded Connection terminal 30 (on electronics box)
(A1) - Plus Connection (30a) (in instrument panel wiring harness)
(A62) - Window Regulator Connection (in instrument panel wiring harness)
(B163) - Plus Connection 1 (15) (in interior wiring harness)
(B169) - Plus Connection 1 (30) (in interior wiring harness)
(B318) - Plus Connection 4 (30a) (in main wiring harness)
(B503) - Plus Connection 7 (30a) (in interior wiring harness)
(S25) - Plus Connection (30a) (in central locking wiring harness)
* - Only models with anti-theft alarm system
** - Only models with rear window regulator
*** - Only models with interior monitoring
Next Diagram 3/3 (Tracks 15-28)