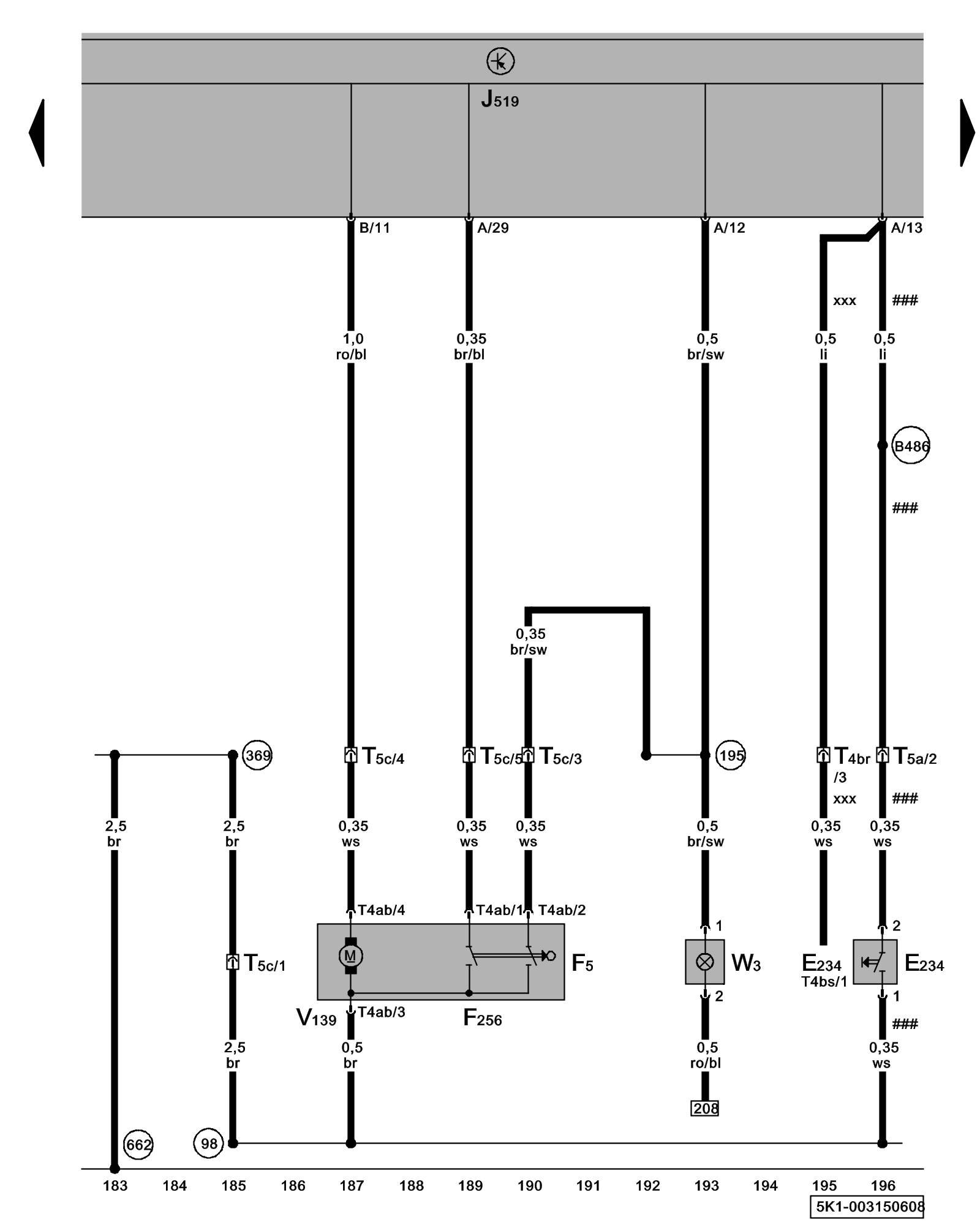
Diagram 3/15 (Tracks 183-196)
IMPORTANT NOTE:
This manufacturer uses "Track" style wiring diagrams.
For information on how to use these diagrams effectively, please refer to Diagram Information and Instructions. Diagram Information and Instructions
Rear Lid Release, Rear Lid Lock Unit, Luggage Compartment Light

ws = white
sw = black
ro = red
br = brown
gn = green
bl = blue
gr = grey
li = lilac
ge = yellow
or = orange
rs = pink
E234 - Rear Lid Handle Unlock Switch
F5 - Luggage Compartment Light Switch
F256 - Rear Lid Lock Unit Locations
J519 - Vehicle Electrical System Control Module Control modules in front part of vehicle - Overview of Control Modules
T4ab - 4-Pin Connector
T4br - 4-Pin Connector, black, behind right C-pillar trim Overview of connector stations and connectors
T4bs - 4-Pin Connector
T5a - 5-Pin Connector, black, in left rear side panel Overview of connector stations and connectors
T5c - 5-Pin Connector, brown, in left rear side panel Overview of connector stations and connectors
V139 - Rear Lid Unlock Motor
W3 - Luggage Compartment Light
(98) - Ground Connection (in rear lid wiring harness)
(195) - Ground Connection (in rear door contact switch wiring harness)
(369) - Ground Connection 4 (in main wiring harness)
(662) - Ground Connection (on left rear C-pillar)
(B486) - Connection 22 (in main wiring harness)
xxx - Only models with Rear View Camera
### - Only models without Rear View Camera
Previous Diagram 3/14 (Tracks 169-182)
Next Diagram 3/16 (Tracks 197-210)