Operation CHARM: Car repair manuals for everyone.

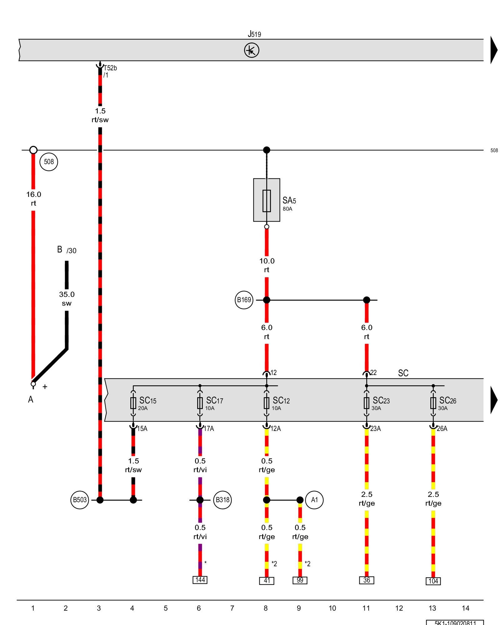
Diagram 109/2 (Tracks 1-14)






IMPORTANT NOTE:
This manufacturer uses "Track" style wiring diagrams.
For information on how to use these diagrams effectively, please refer to Diagram Information and Instructions. Diagram Information and Instructions


Fuse 5 (on fuse panel A), Fuse panel C





ws = white
sw = black
ro = red
br = brown
gn = green
bl = blue
gr = grey
li = lilac
ge = yellow
or = orange
rs = pink

A - Battery

B - Starter

J519 - Vehicle electrical system control module Control modules in front part of vehicle - Overview of Control Modules

SA5 - Fuse 5 (on fuse panel A) Fuse overview (SA), (SB), (SC)

SC - Fuse panel C Fuse overview (SA), (SB), (SC)

SC12 - Fuse 12 (on fuse panel C) Fuse overview (SA), (SB), (SC)

SC15 - Fuse 15 (on fuse panel C) Fuse overview (SA), (SB), (SC)

SC17 - Fuse 17 (on fuse panel C) Fuse overview (SA), (SB), (SC)

SC23 - Fuse 23 (on fuse panel C) Fuse overview (SA), (SB), (SC)

SC26 - Fuse 26 (on fuse panel C) Fuse overview (SA), (SB), (SC)

T52b - 52-pin connector

(508) - Terminal 30 threaded connection (on E-box)

(A1) - Positive connection (30a) (in instrument panel wiring harness)

(B169) - Positive connection 1 (30) (in interior wiring harness)

(B318) - Positive connection 4 (30a) (in main wiring harness)

(B503) - Positive connection 7 (30a) (in interior wiring harness)

* - For vehicles with anti-theft alarm system

*2 - Through April 2011

Next Diagram 109/3 (Tracks 15-28)