Operation CHARM: Car repair manuals for everyone.

Diagram 120/3 (Tracks 15-28)






IMPORTANT NOTE:
This manufacturer uses "Track" style wiring diagrams.
For information on how to use these diagrams effectively, please refer to Diagram Information and Instructions. Diagram Information and Instructions


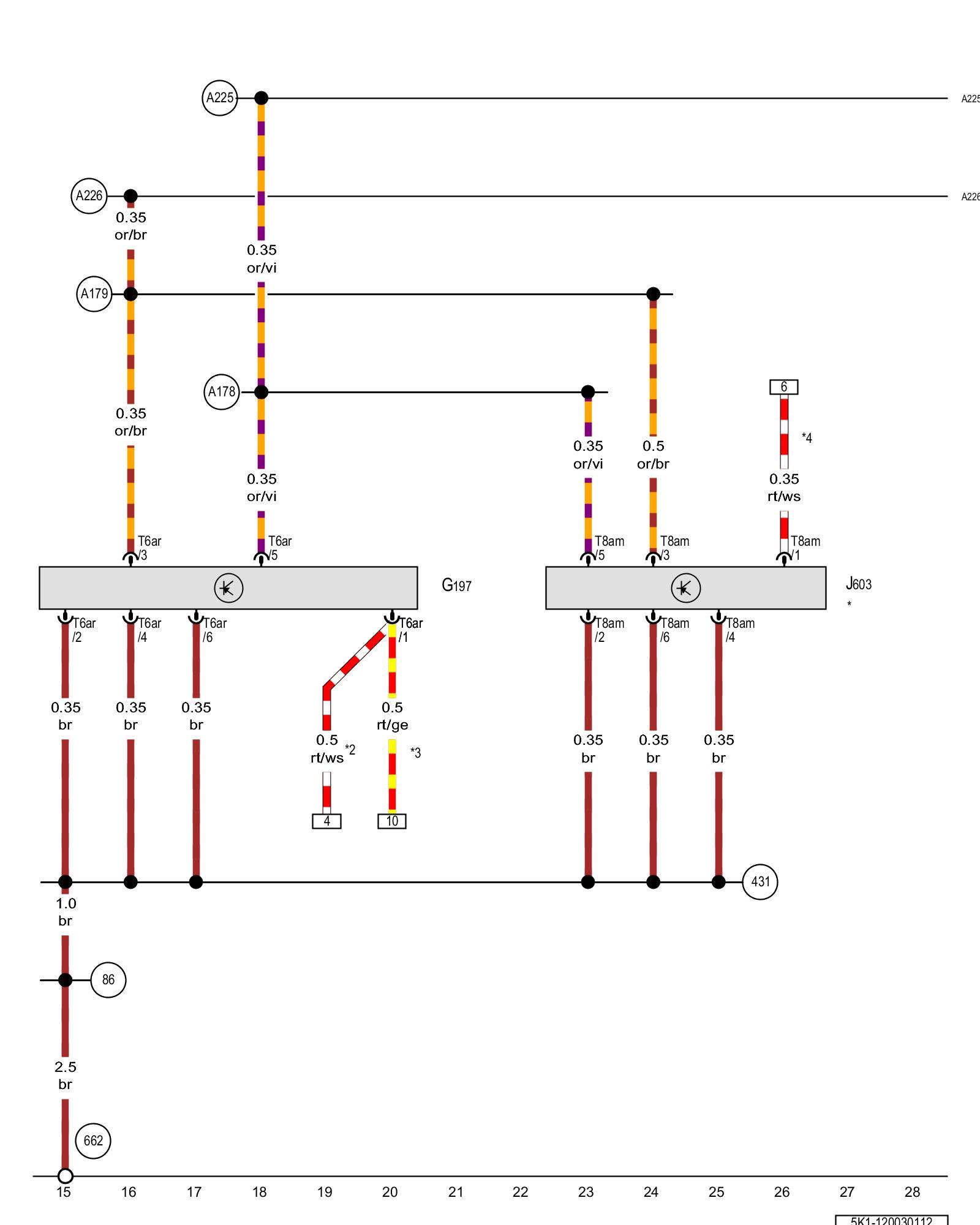
Compass magnetic field sensor, Vehicle location recognition control module





ws = white
sw = black
ro = red
br = brown
gn = green
bl = blue
gr = grey
li = lilac
ge = yellow
or = orange
rs = pink

G197 - Compass magnetic field sensor Anti-Theft System

J603 - Vehicle location recognition control module

T6ar - 6-pin connector

T8am - 8-pin connector

(86) - Ground connection 1 (in rear wiring harness)

(431) - Ground connection 2 (in roof wiring harness)

(662) - Ground connection in left rear side panel Overview Of Ground Connections in Luggage Compartment

(A178) - Infotainment CAN bus high connection (in instrument panel wiring harness)

(A179) - Infotainment CAN bus low connection (in instrument panel wiring harness)

(A225) - Infotainment CAN bus high connection 2 (in instrument panel wiring harness)

(A226) - Infotainment CAN bus low connection 2 (in instrument panel wiring harness)

* - USA only

*2 - Only for vehicles without Start/Stop system

*3 - Only for vehicles with Stop/Start system

*4 - Only for vehicles with Start/Stop system

Previous Diagram 120/2 (Tracks 1-14)

Next Diagram 120/4 (Tracks 29-42)