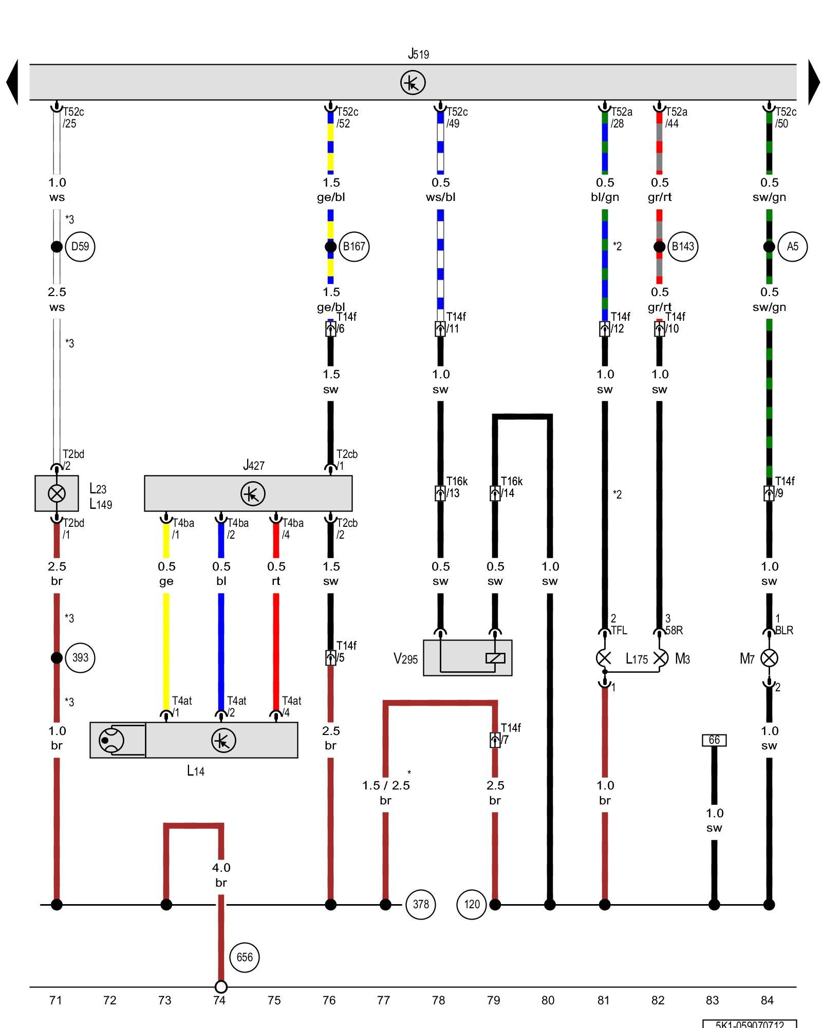
Diagram 59/7 (Tracks 71-84)
IMPORTANT NOTE:
This manufacturer uses "Track" style wiring diagrams.
For information on how to use these diagrams effectively, please refer to Diagram Information and Instructions. Diagram Information and Instructions
Right HID lamp ballast, Vehicle electrical system control module, Right HID headlamp bulb, Right front fog lamp bulb, Right cornering lamp bulb, Right daytime running lamp bulb, Right front turn signal bulb, Right low beam headlamp reflector motor

ws = white
sw = black
ro = red
br = brown
gn = green
bl = blue
gr = grey
li = lilac
ge = yellow
or = orange
rs = pink
J427 - Right HID lamp ballast
J519 - Vehicle electrical system control module Control modules in front part of vehicle - Overview of Control Modules
L14 - Right HID headlamp bulb
L23 - Right front fog lamp bulb
L149 - Right cornering lamp bulb
L175 - Right daytime running lamp bulb
M3 - Right side marker lamp bulb
M7 - Right front turn signal bulb
T2bd - Double connector
T2cb - Double connector
T4at - 4-pin connector
T4ba - 4-pin connector
T14f - 14-pin connector, on the right headlamp
T16k - 16-pin connector, in the right headlamp, black
T52a - 52-pin connector
T52c - 52-pin connector
V295 - Right low beam headlamp reflector motor
(120) - Ground connection 2 (in headlamp wiring harness)
(378) - Ground connection 13 (in main wiring harness)
(393) - Ground connection 28 (in main wiring harness)
(656) - Ground connection on right headlamp Overview Of Ground Connections in Engine Compartment
(A5) - Right turn signal positive connection (in instrument panel wiring harness)
(B143) - Positive connection (58R) (in interior wiring harness)
(B167) - Connection 56b (in interior wiring harness)
(D59) - Fog lamp connection (in engine compartment wiring harness)
* - from November 2009
*2 - Only for vehicles with daytime running lamps
*3 - Only for vehicles with fog lamps
Previous Diagram 59/6 (Tracks 57-70)
Next Diagram 59/8 (Tracks 85-98)