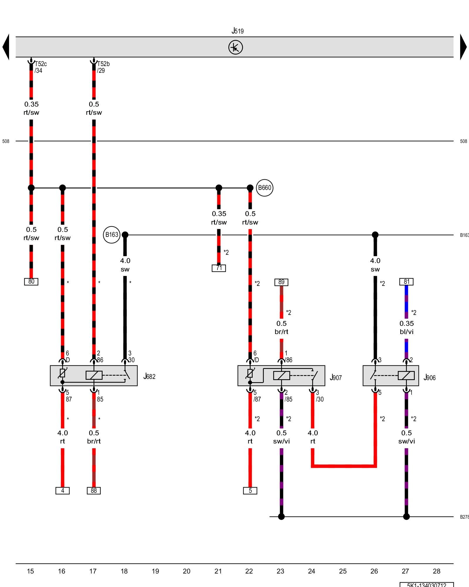
Diagram 134/3 (Tracks 15-28)
IMPORTANT NOTE:
This manufacturer uses "Track" style wiring diagrams.
For information on how to use these diagrams effectively, please refer to Diagram Information and Instructions. Diagram Information and Instructions
Vehicle electrical system control module, Terminal 50 power supply relay, Starter relay 1, Starter relay 2

ws = white
sw = black
ro = red
br = brown
gn = green
bl = blue
gr = grey
li = lilac
ge = yellow
or = orange
rs = pink
J519 - Vehicle electrical system control module Control modules in front part of vehicle - Overview of Control Modules
J682 - Terminal 50 power supply relay Overview Of Relay Carrier
J906 - Starter relay 1 Overview Of Relay Carrier
J907 - Starter relay 2 Overview Of Relay Carrier
T52b - 52-pin connector
T52c - 52-pin connector
(508) - Terminal 30 threaded connection (on E-box)
(B163) - Positive connection 1 (15) (in interior wiring harness)
(B278) - Positive connection 2 (15a) (in main wiring harness)
(B660) - Diagnostic terminal 50 connection (in main wiring harness)
* - Only for vehicles without access/start authorization system
*2 - only for vehicles with access/start authorization system
Previous Diagram 134/2 (Tracks 1-14)
Next Diagram 134/4 (Tracks 29-42)