Operation CHARM: Car repair manuals for everyone.

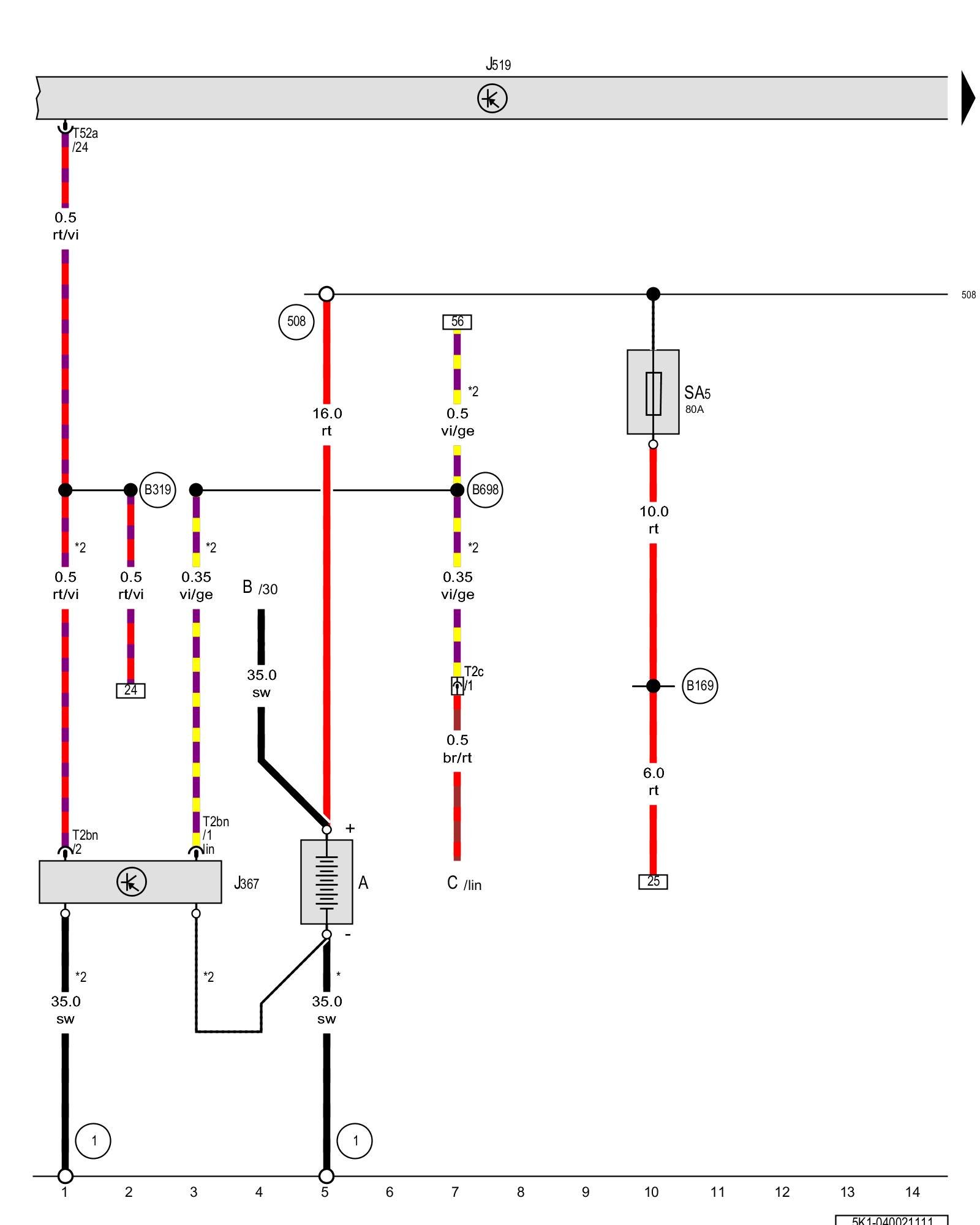
Diagram 40/2 (Tracks 1-14)






IMPORTANT NOTE:
This manufacturer uses "Track" style wiring diagrams.
For information on how to use these diagrams effectively, please refer to Diagram Information and Instructions. Diagram Information and Instructions


Battery, Battery monitoring control module, Fuse 5 (on fuse panel A)





ws = white
sw = black
ro = red
br = brown
gn = green
bl = blue
gr = grey
li = lilac
ge = yellow
or = orange
rs = pink

A - Battery

B - Starter

C - Generator

J367 - Battery monitoring control module Control modules in front part of vehicle - Overview of Control Modules

J519 - Vehicle electrical system control module Control modules in front part of vehicle - Overview of Control Modules

SA5 - Fuse 5 (on fuse panel A) Fuse overview (SA), (SB), (SC)

T2bn - Double connector

T2c - Double connector, near the starter Overview of connector stations and connectors

T52a - 52-pin connector

(1) - Ground strap, battery to body

(508) - Terminal 30 threaded connection (on E-box)

(B169) - Positive connection 1 (30) (in interior wiring harness)

(B319) - Positive connection 5 (30a) (in main wiring harness)

(B698) - LIN bus connection 3 (in main wiring harness)

* - Only for vehicles without Start/Stop system

*2 - Only for vehicles with Start/Stop system

Next Diagram 40/3 (Tracks 15-28)