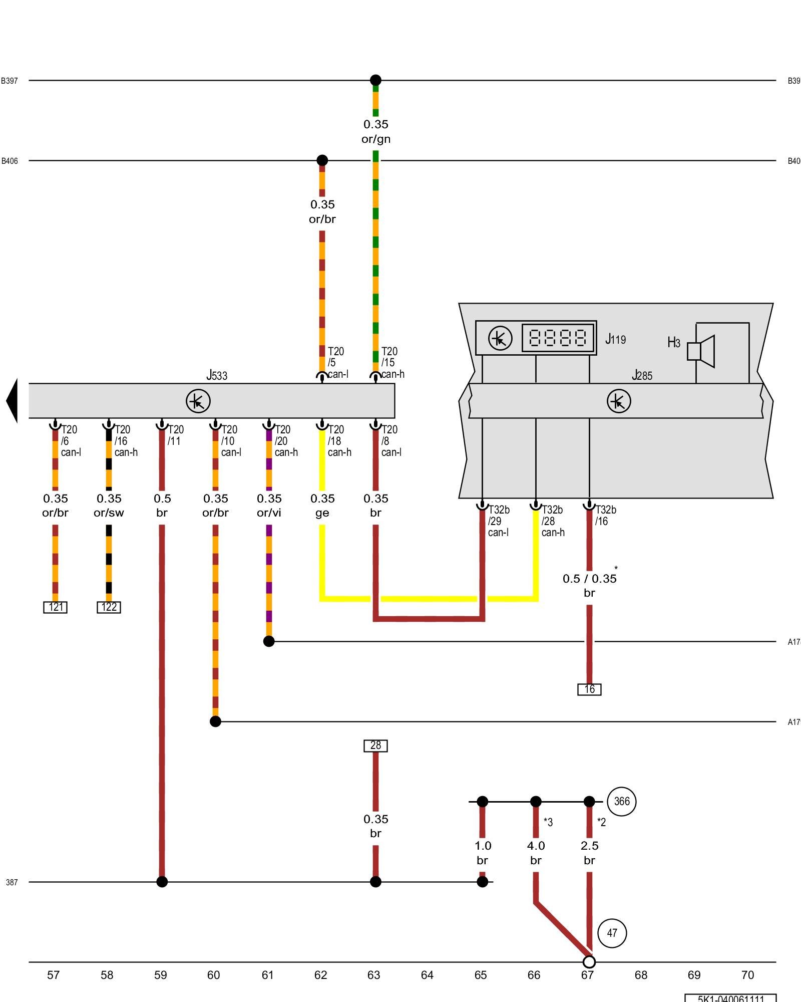
Diagram 40/6 (Tracks 57-70)
IMPORTANT NOTE:
This manufacturer uses "Track" style wiring diagrams.
For information on how to use these diagrams effectively, please refer to Diagram Information and Instructions. Diagram Information and Instructions
Multifunction indicator, Instrument cluster control module, Data bus on board diagnostic interface

ws = white
sw = black
ro = red
br = brown
gn = green
bl = blue
gr = grey
li = lilac
ge = yellow
or = orange
rs = pink
H3 - Warning buzzer and tone
J119 - Multifunction indicator
J285 - Instrument cluster control module Control modules in front part of vehicle - Overview of Control Modules
J533 - Data bus on board diagnostic interface, in the left footwell, near the center console Control modules in front part of vehicle - Overview of Control Modules
T20 - 20-pin connector
T32b - 32-pin connector
(47) - Ground connection in right front footwell
(366) - Ground connection 1 (in main wiring harness)
(387) - Ground connection 22 (in main wiring harness)
(A178) - Infotainment CAN bus high connection (in instrument panel wiring harness)
(A179) - Infotainment CAN bus low connection (in instrument panel wiring harness)
(B397) - Comfort system CAN bus high connection 1 (in main wiring harness)
(B406) - Comfort system CAN bus low connection 1 (in main wiring harness)
* - from May 2011
*2 - Only for vehicles without Start/Stop system
*3 - Only for vehicles with Start/Stop system
Previous Diagram 40/5 (Tracks 43-56)
Next Diagram 40/7 (Tracks 71-84)