Diagram 11/2 (Tracks 1-14)
IMPORTANT NOTE:
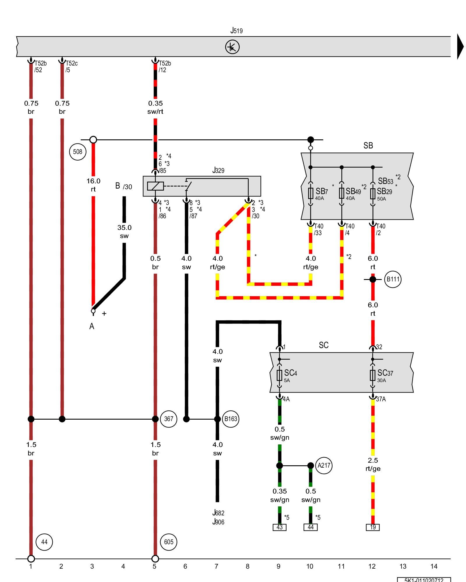
This manufacturer uses "Track" style wiring diagrams.
For information on how to use these diagrams effectively, please refer to Diagram Information and Instructions. Diagram Information and Instructions
Terminal 15 power supply relay, Vehicle electrical system control module, Fuse panel B, Fuse panel C

ws = white
sw = black
ro = red
br = brown
gn = green
bl = blue
gr = grey
li = lilac
ge = yellow
or = orange
rs = pink
A - Battery
B - Starter
J329 - Terminal 15 power supply relay Overview Of Relay Carrier
J519 - Vehicle electrical system control module Control modules in front part of vehicle - Overview of Control Modules
J682 - Terminal 50 power supply relay Overview Of Relay Carrier
J906 - Starter relay 1 Overview Of Relay Carrier
SB - Fuse panel B Fuse overview (SA), (SB), (SC)
SC4 - Fuse 4 (on fuse panel C) Fuse overview (SA), (SB), (SC)
SB7 - Fuse 7 (on fuse panel B) Fuse overview (SA), (SB), (SC)
SB29 - Fuse 29 (on fuse panel B) Fuse overview (SA), (SB), (SC)
SB49 - Fuse 49 (on fuse panel B) Fuse overview (SA), (SB), (SC)
SB53 - Fuse 53 (on fuse panel B) Fuse overview (SA), (SB), (SC)
SC - Fuse panel C Fuse overview (SA), (SB), (SC)
SC37 - Fuse 37 (on fuse panel C) Fuse overview (SA), (SB), (SC)
T40 - 40-pin connector
T52b - 52-pin connector
T52c - 52-pin connector
(44) - Ground connection on A-pillar, lower left Overview Of Ground Connections in Interior
(367) - Ground connection 2 (in main wiring harness)
(508) - Terminal 30 threaded connection (on E-box)
(605) - Ground connection on upper steering column Overview Of Ground Connections in Interior
(A217) - Positive connection 8 (15a) (in instrument panel wiring harness)
(B111) - Positive connection 1 (30a) (in interior wiring harness)
(B163) - Positive connection 1 (15) (in interior wiring harness)
* - E-Box low
*2 - E-Box high
*3 - Through October 2009
*4 - from November 2009
*5 - Only for vehicles without an A/C system
Next Diagram 11/3 (Tracks 15-28)