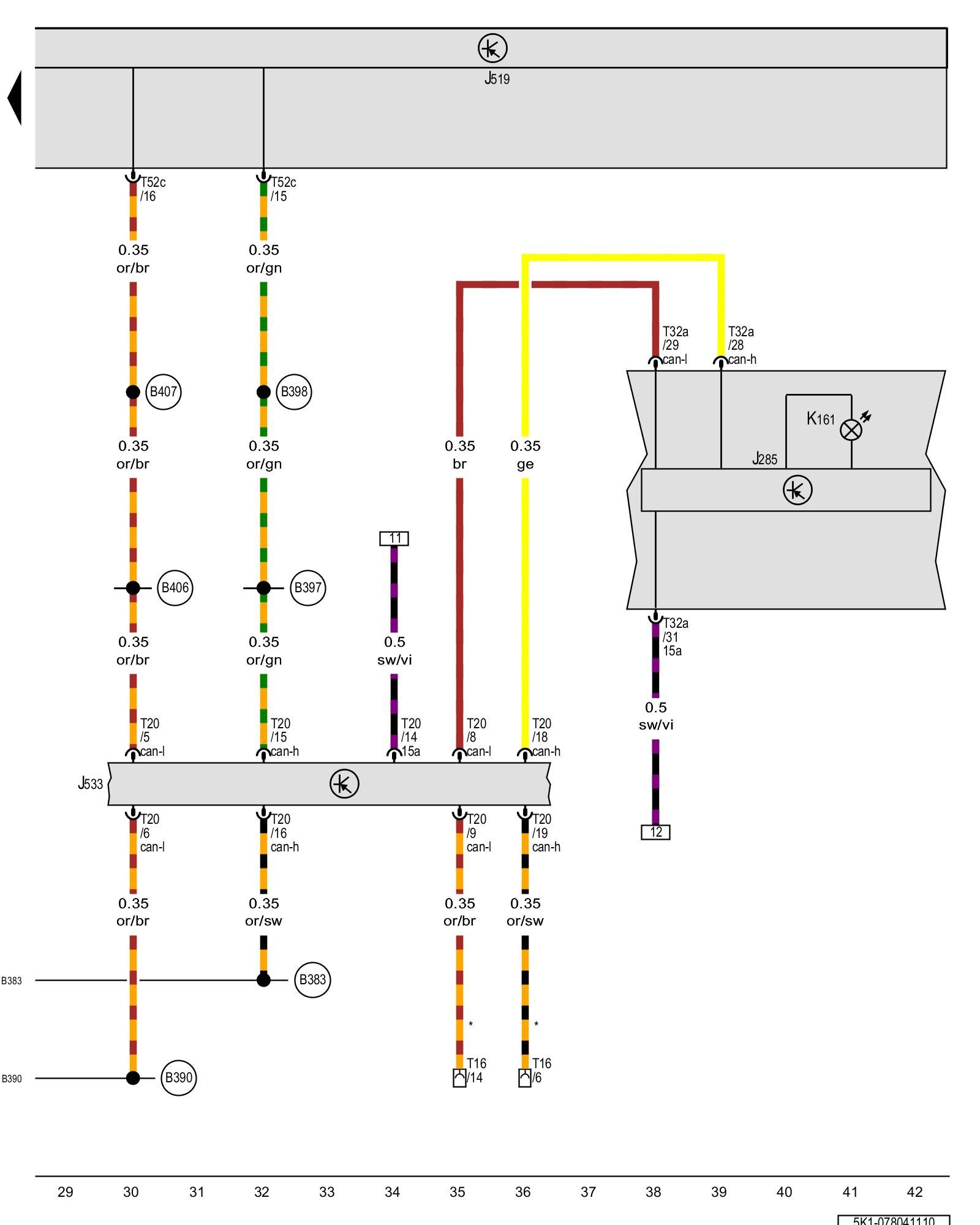
Diagram 78/4 (Tracks 29-42)
IMPORTANT NOTE:
This manufacturer uses "Track" style wiring diagrams.
For information on how to use these diagrams effectively, please refer to Diagram Information and Instructions. Diagram Information and Instructions
Instrument cluster control module, Data bus on board diagnostic interface, Electromechanical power steering indicator lamp

ws = white
sw = black
ro = red
br = brown
gn = green
bl = blue
gr = grey
li = lilac
ge = yellow
or = orange
rs = pink
J285 - Instrument cluster control module
J519 - Vehicle electrical system control module Control modules in front part of vehicle - Overview of Control Modules
J533 - Data bus on board diagnostic interface, in the left footwell, near the center console Control modules in front part of vehicle - Overview of Control Modules
K161 - Electromechanical power steering indicator lamp
T16 - 16-pin connector
T20 - 20-pin connector
T32a - 32-pin connector
T52c - 52-pin connector
(B383) - Powertrain CAN bus high connection 1 (in main wiring harness)
(B390) - Powertrain CAN bus low connection 1 (in main wiring harness)
(B397) - Comfort system CAN bus high connection 1 (in main wiring harness)
(B398) - Comfort system CAN bus high connection 2 (in main wiring harness)
(B406) - Comfort system CAN bus low connection 1 (in main wiring harness)
(B407) - Comfort system CAN bus low connection 2 (in main wiring harness)
* - Diagnostic connector
Previous Diagram 78/3 (Tracks 15-28)