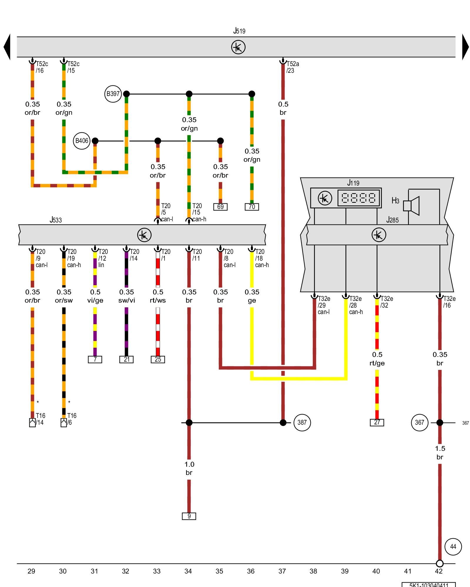
Diagram 103/4 (Tracks 29-42)
IMPORTANT NOTE:
This manufacturer uses "Track" style wiring diagrams.
For information on how to use these diagrams effectively, please refer to Diagram Information and Instructions. Diagram Information and Instructions
Multifunction indicator, Instrument cluster control module, Data bus on board diagnostic interface

ws = white
sw = black
ro = red
br = brown
gn = green
bl = blue
gr = grey
li = lilac
ge = yellow
or = orange
rs = pink
H3 - Warning buzzer and tone
J119 - Multifunction indicator
J285 - Instrument cluster control module
J519 - Vehicle electrical system control module Control modules in front part of vehicle - Overview of Control Modules
J533 - Data bus on board diagnostic interface, in the left footwell, near the center console Control modules in front part of vehicle - Overview of Control Modules
T16 - 16-pin connector, under the instrument panel, left
T20 - 20-pin connector
T32e - 32-pin connector
T52a - 52-pin connector
T52c - 52-pin connector
(44) - Ground connection on A-pillar, lower left
(367) - Ground connection 2 (in main wiring harness)
(387) - Ground connection 22 (in main wiring harness)
(B397) - Comfort system CAN bus high connection 1 (in main wiring harness)
(B406) - Comfort system CAN bus low connection 1 (in main wiring harness)
* - Diagnostic connector
Previous Diagram 103/3 (Tracks 15-28)
Next Diagram 103/5 (Tracks 43-56)