Operation CHARM: Car repair manuals for everyone.

Diagram 60/2 (Tracks 1-14)






IMPORTANT NOTE:
This manufacturer uses "Track" style wiring diagrams.
For information on how to use these diagrams effectively, please refer to Diagram Information and Instructions. Diagram Information and Instructions


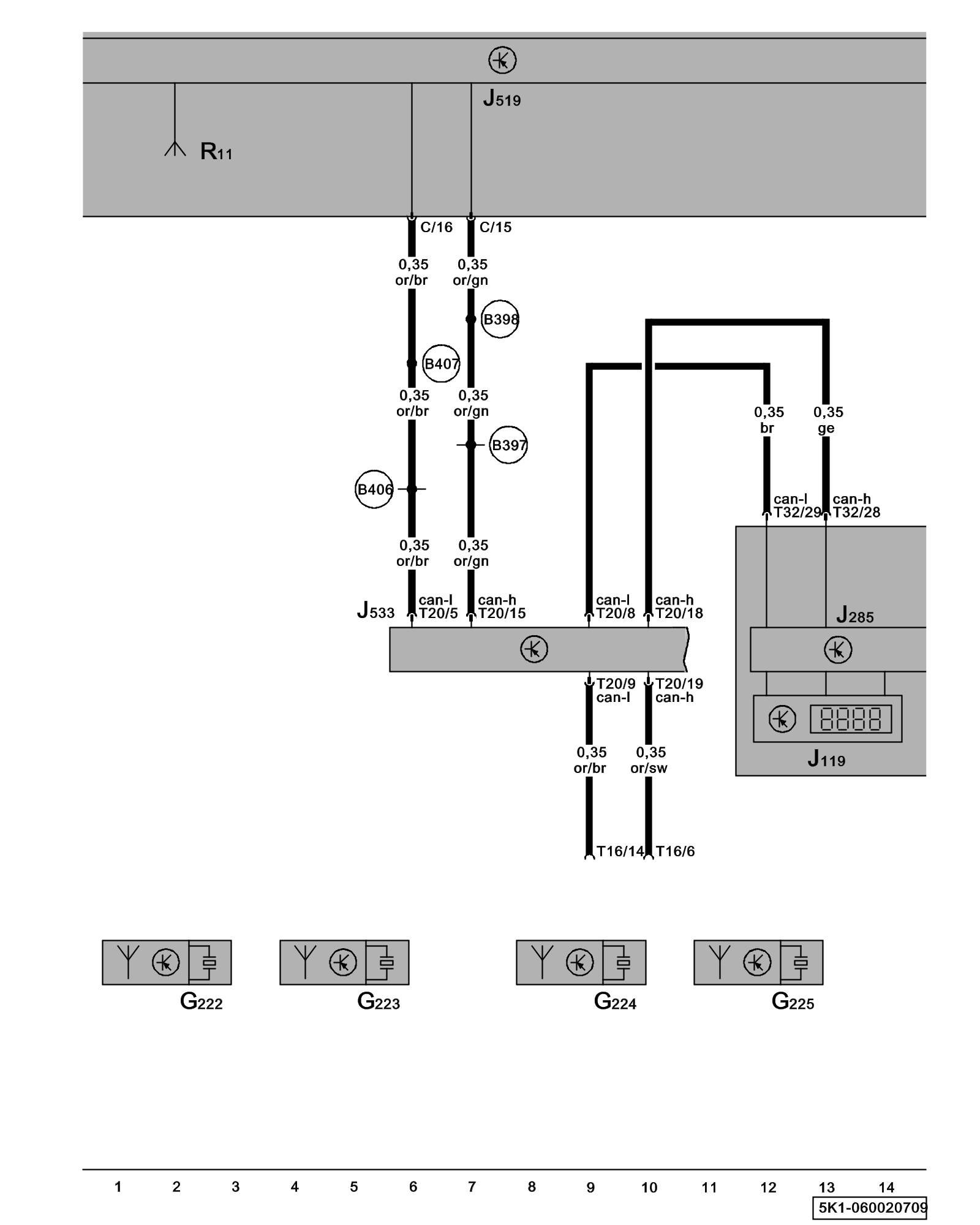
Instrument Cluster, Data Bus On Board Diagnostic Interface, Data Link Connector (DLC), Antenna, Tire Pressure Monitoring Sensors





ws = white
sw = black
ro = red
br = brown
gn = green
bl = blue
gr = grey
li = lilac
ge = yellow
or = orange
rs = pink

J119 - Multi-function Indicator

J519 - Vehicle Electrical System Control Module Control modules in front part of vehicle - Overview of Control Modules

J533 - Data Bus On Board Diagnostic Interface, in left footwell, near center console Control modules in front part of vehicle - Overview of Control Modules

G222 - Left Front Tire Pressure Monitoring Sensor

G223 - Right Front Tire Pressure Monitoring Sensor

G224 - Left Rear Tire Pressure Monitoring Sensor

J519 - Vehicle Electrical System Control Module Control modules in front part of vehicle - Overview of Control Modules

R11 - Antenna

T16 - 16-Pin Connector, under instrument panel, left, Data Link Connector (DLC)

T20 - 20-Pin Connector

T32 - 32-Pin Connector

(B397) - Comfort System CAN-Bus High Connection 1 (in main wiring harness)

(B398) - Comfort System CAN-Bus High Connection 2 (in main wiring harness)

(B406) - Comfort System CAN-Bus Low Connection 1 (in main wiring harness)

(B407) - Comfort System CAN-Bus Low Connection 2 (in main wiring harness)