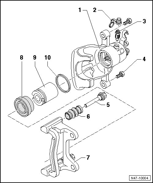
Rear Brake Caliper Overview, C38
Rear Brake Caliper Overview, C38
• Install the complete repair kit when servicing.
• Only use mineral spirits to clean brake parts.
• New brake calipers are filled with brake fluid and are pre-bled.
• Apply a thin coat of lithium grease (G 052 150 A2) to the brake cylinders, pistons and seals.
• In case of repair, the brake calipers must always be pre-bled before being installed to the vehicle (without brake pads). Refer to => [ Rear Brake Caliper, Pre-Bleeding ] Procedures.

1 - Brake Caliper with Parking Brake Cable Lever
• Replace the brake caliper if leaking at the parking brake cable lever.
• Pre-bleed the brake caliper after repairing. Refer to => [ Rear Brake Caliper, Pre-Bleeding ] Procedures.
2 - Cap
3 - Bleed Valve
• 10 Nm
• Apply a thin coat of lithium grease (G 052 150 A2) to the threads before installing.
4 - Bolt
• 35 Nm
• Always replace.
• When loosening and tightening, counter-hold at the guide pin.
5 - Guide Pin
• Lubricate before installing the cap.
6 - Cap
• Installed on the brake carrier and guide pin.
7 - Brake Carrier with Guide Pin and Cap
• Supplied as an assembled replacement part with sufficient grease on the guide pins.
• If the caps or guide pins are damaged, install them from the repair kit. Use the supplied grease packet to lubricate the guide pins.
8 - Cap
• Pull onto the piston with the outer seal.
• Removing and installing, refer to => [ Rear Brake Caliper Piston, C38 an CII 41 ] Rear Brake Caliper Piston, C38 an CII 41.
9 - Piston with Automatic Adjustment
• Removing and installing, refer to => [ Rear Brake Caliper Piston, C38 an CII 41 ] Rear Brake Caliper Piston, C38 an CII 41.
• Apply thin coat of lithium grease (G 052 150 A2) to the piston before installing.
10 - Seal
• Removing and installing, refer to => [ Rear Brake Caliper Piston, C38 an CII 41 ] Rear Brake Caliper Piston, C38 an CII 41.