2.5L CBTA and CBUA
Engine Management System
2.5L CBTA and CBUA
Component A - B are not shown in the overview

A - Oil Level Thermal Sensor -G266-
• Located at the bottom of oil pan
B - Clutch Position Sensor -G476-
• Only for vehicles with a manual transmission
• Located on the clutch master cylinder
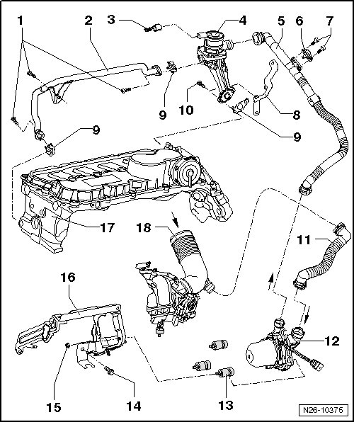
1 - -Fuel Injector -N30-, -N31-, -N32-, -N33- and -N83-- => [ Fuel Rail and Injectors Assembly Overview ]
2 - Camshaft Position (CMP) Sensor -G40-
3 - 81 pin electrical connector
4 - Motronic Engine Control Module (ECM) -J220-
• Located in the plenum chamber
5 - 40 pin electrical connector
6 - Secondary Air Injection (AIR) Solenoid Valve -N112- => [ Secondary Air Injection System ]
• For the AIR system
7 - Engine Coolant Temperature (ECT) Sensor -G62-
8 - Evaporative Emission (EVAP) Canister Purge Regulator Valve 1 -N80- => [ Intake Manifold ]
9 - Ignition coil with power output stage -N70-, -N127, -N291-, -N292- and -N293- => [ Ignition coil with power output stage ]
10 - Mass Air Flow (MAF) Sensor -G70- with Intake Air Temperature (IAT) Sensor -G42-
• From Model Year (MY) 2009, the Mass Air Flow (MAF) sensor has been deleted and the Intake Air Temperature (IAT) sensor is integrated with the intake manifold pressure sensor on the intake manifold
11 - E-box in the engine compartment, on the left side
12 - Engine Speed (RPM) Sensor -G28-
• Secured to the control housing cover
13 - Throttle Valve Control Module -J338- => [ Intake Manifold ]
• With throttle valve control module throttle drive (for electronic power control), throttle drive angle sensor 1 (for electronic power control) and throttle drive angle sensor 2 (for electronic power control)
2.5L CBTA and CBUA continued

14 - Camshaft Adjustment Valve 1 -N205-
15 - Secondary Air Injection (AIR) Pump Motor -V101- => [ Secondary Air Injection System ]
16 - Knock Sensor 1 -G61- => [ Knock Sensors ] See Image Below.
17 - Knock Sensor 2 -G66- => [ Knock Sensors ] See Image Below.
18 - Connector 6-pin
• Located on the left side of the bulkhead
• For the Heated Oxygen Sensor (HO2S) before the catalytic converter and the Oxygen Sensor (O2S) heater
19 - Heated Oxygen Sensor (HO2S) -G39- => [ Exhaust System Overview ] Exhaust System Overview
• Located in the exhaust manifold
20 - 4 pin electrical connector
• Engine codes BGQ and CBUA only
• For the Oxygen Sensor (O2S) - center Three Way Catalytic Converter (TWC), Bank 1 and the O2S heater - center TWC
21 - Oxygen Sensor (O2S (in Center Three Way Catalytic Converter (TWC), Bank 1 -G465- => [ Exhaust System Overview ] Exhaust System Overview
• Located in the center catalytic converter
• Engine codes BGQ and CBUA only
22 - 4 pin electrical connector
• For the O2S behind TWC and the O2S heater 1 behind TWC
23 - Oxygen Sensor (O2S) Behind Three Way Catalytic Converter (TWC) -G130- => [ Exhaust System Overview ] Exhaust System Overview
• Located in the rear catalytic converter
Fuel Rail and Injectors Assembly Overview

2 - Fuel rail
6 - Fuel injector
• Cylinder 1 Fuel Injector -N30-
• Cylinder 2 Fuel Injector -N31-
• Cylinder 3 Fuel Injector -N32-
• Cylinder 4 Fuel Injector -N33-
• Cylinder 5 Fuel Injector -N83-
7 - Intake manifold
Ignition coil with power output stage

• Ignition Coil 1 with Power Output Stage -N70-
• Ignition Coil 2 with Power Output Stage -N127-
• Ignition Coil 3 with Power Output Stage -N291-
• Ignition Coil 4 with Power Output Stage -N292-
• Ignition Coil 5 with Power Output Stage -N323-
Intake Manifold

3 - Evaporative Emission (EVAP) Canister Purge Regulator Valve 1 -N80-
9 - Intake manifold
14 - Manifold Absolute Pressure (MAP) Sensor -G71-
• From Model Year (MY) 2009 with integrated with the Intake Air Temperature (IAT) sensor
18 - Throttle Valve Control Module -J338-
The Throttle Valve Control Module -J338- is
integrated with the following:
• Throttle Position (TP) Sensor -G69-
• Throttle Drive (for Electronic Power Control (EPC)) -G186-
• Throttle Drive Angle Sensor 1 (for Electronic Power Control (EPC) -G187-
• Throttle Drive Angle Sensor 2 (for Electronic Power Control (EPC) -G188-
Secondary Air Injection System

4 - Secondary Air Injection (AIR) Solenoid Valve -N112-
6 - Secondary Air Injection Sensor 1 -G609-
12 - Secondary Air Injection (AIR) Pump Motor -V101-
Oil Pressure Switch

2 - Oil filter bracket
4 - Oil Pressure Switch -F1-
EVAP System Assembly Overview

6 - EVAP canister
• Engine code CBUA
• Located at the bottom of the spare tire well
7 - EVAP canister
• Engine code CBTA
• Located at the bottom of the spare tire well
16 - Leak Detection Pump (LDP) -V144-
• Located under the wheel housing liner in the right rear wheel housing
Knock Sensors

The knock sensors are located on the back side of the engine block
3 - Knock sensor 1 -G61-
9 - Knock sensor 2 -G66-