Cooling System Components Overview
Engine Management System
Cooling System Components Overview
• 2.0L CCTA / CBFA and 2.5L CBTA / CBUA => [ 2.0L CCTA / CBFA and 2.5L CBTA / CBUA ]
• 2.0L CRZA => [ 2.0L CRZA ]
• 2.0L CJAA TDI => [ 2.0L CJAA TDI ]
• After-Run Coolant Pump => [ After-Run Coolant Pump ]
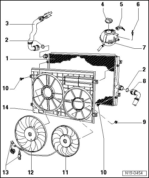
2.0L CCTA / CBFA and 2.5L CBTA / CBUA

1 - Radiator fan -V7-
• With Coolant Fan Control (FC) Control Module -J293-
6 - Engine Coolant Temperature (ECT) Sensor (on Radiator) -G83-
• Located in the Expansion tank
14 - Radiator fan 2 -V177-
•
Radiator Identification Sensor

B - Radiator Identification Sensor -G611-
2.0L CRZA

2 - Engine coolant level sensor -G32- connector
10 - Coolant fan 2 -V177-
11 - Coolant fan -V7- with Coolant fan control module -J293-
2.0L CJAA TDI

5 - Engine Coolant Level (ECL) Sensor -G32- connector
12 - Right Coolant Fan -V35-
After-Run Coolant Pump

6 - After-Run Coolant Pump -V51-