Rear Wheel Speed Sensor Overview
Rear Wheel Speed Sensor Overview

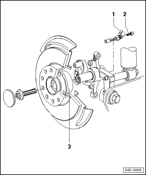
1 Right Rear ABS Wheel Speed Sensor (G44) / Left Rear ABS Wheel Speed Sensor (G46)
• Before installing the sensor, clean the inner surface of the hole and coat it with hot bolt paste (G 052 112 A3).
• Removing and installing, refer to => [ Rear ABS Wheel Speed Sensors G44/G46 ] Rear ABS Wheel Speed Sensors G44/G46.
2 Hex Head Socket Bolt
• 8 Nm
3 Wheel Hub with Bearing
• The Anti-lock Brake System (ABS) sensor ring is installed on the wheel bearing.