Housing Assembly HVAC: Description and Operation
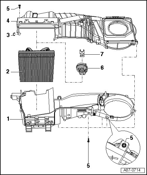
Evaporator Housing Overview

1 Evaporator Housing Lower Section
• Disassembling and assembling, refer to => [ Evaporator Housing ] Overhaul.
2 Evaporator
• Check insulation, it must be completely present
• Removing and installing, refer to => [ Evaporator ] Service and Repair.
3 Clip
4 Evaporator Housing Upper Section
• Disassembling and assembling, refer to => [ Evaporator Housing ] Overhaul.
5 Screw
6 Seal / Insulation
• Heat insulation for expansion valve
• Removing and installing, refer to => [ Evaporator ] Service and Repair.
7 Bracket
• Removing and installing, refer to => [ Evaporator ] Service and Repair.
- Remove the heater and A/C unit. Refer to => [ Heater and A/C Unit ] Removal and Replacement.
- Remove the air distribution housing/evaporator housing from the heater and A/C unit. Refer to => [ Air Distribution Housing ] Air Distribution Housing.