Passive Occupant Detection System Assembly Overview
Passive Occupant Detection System Assembly Overview

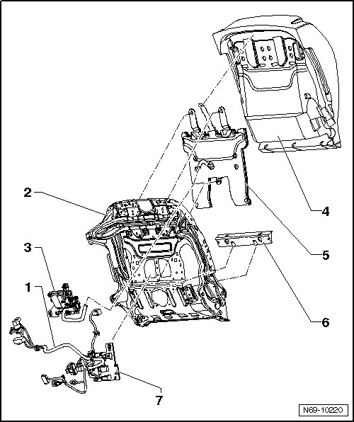
1 Front seat wiring harness
• No long necessary to removed due to technical update.
2 Seat frame
3 Seat Occupied Recognition Control Module (J706)
4 Seat cushion
• Must not be separated from mat for seat occupied recognition
5 Passive Occupant Detection System Mat
• Must not be removed from pressure hose and upholstery of front seat cushion
6 Insertion profile
• Note location
7 Bracket
• White
• No long necessary to removed due to technical update.