Passive Occupant Detection System Repair Kit, Manual Seats, Installing
Passive Occupant Detection System Repair Kit, Manual Seats, Installing
• When installing, make sure the seat heating wiring harness does not get caught between the seat cushion and the passenger occupant detection system mat.
• Pressure hose must be routed without kinking.
• After being connected to the vehicle electrical system, verify that the replaced components can move easily by moving the seat.
After replacing, perform a basic setting on the passenger occupant detection system using a Vehicle Diagnosis Tester that has "Guided Fault Finding".
Basic setting must be performed when seat is not occupied.
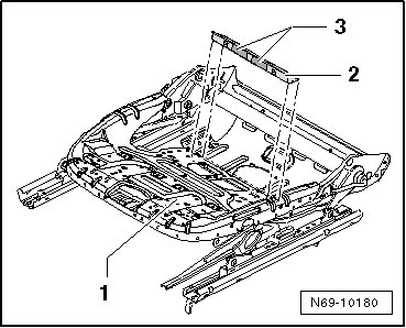
Install in reverse order of removal. Note the following:
- Tape the insert - 2 - to the lower seat frame - 1 - with two-sided tape - 3 - as illustrated.

- Switch on ignition.
• Make sure that no persons are in the vehicle.
- Connect the battery.