Procedure 1
Center Console, Basis, Golf from MY 09
Removing
- Switch off ignition.
Vehicles with automatic transmission
- Loosen the selector lever boot off the cover.
Vehicles with manual and DSG transmission
- Loosen the selector lever boot off the cover.
All vehicles
- Remove parking brake lever trim.
- Remove the trim in the center of the instrument panel (Golf from MY 09). Refer to => [ Trim, Instrument Panel, Center, Golf from MY 09 ] Trim, Instrument Panel, Center, Golf From MY 09
- Remove the trim around the A/C and heater controls (Golf from MY 09). Refer to => [ Trim, A/C and Heater Controls, Golf from MY 09 ] Trim, A/C and Heater Controls, Golf From MY 09
- Remove the center cover (Golf from MY 09).
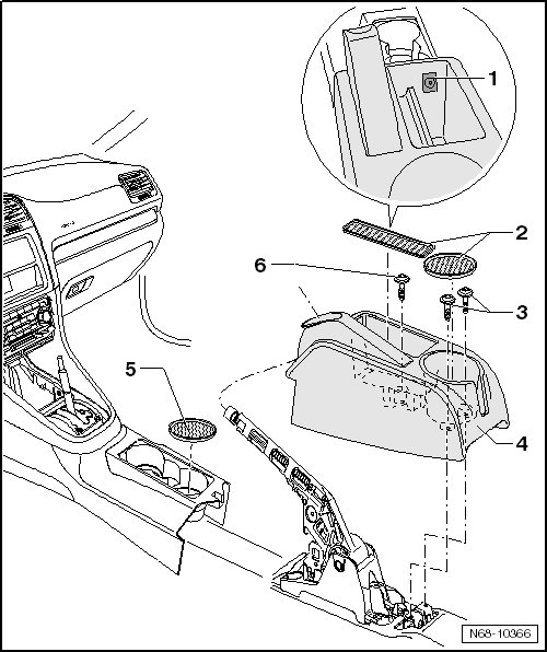
- Remove the two lining mats - 2 - from extension - 4 -.
- Remove lining mat - 5 - from center console.
- Remove the "AUX IN socket" - 1 -, if equipped.
- Remove the three bolts - 3 - (1.5 Nm).
- Loosen extension from mounts.
- Pull parking brake lever extension forward through opening.

- If the vehicle has a manual transmission, remove the noise insulation and shift mechanism - 3 - in the center console.
- Remove the two bolts - 2 - (1.5 Nm).
- Remove the ashtray - 1 - from center console and (depending on vehicle equipment) disconnect the wiring harnesses.
• The vehicle may have a storage compartment in place of an ashtray - 1 -. Removing the storage compartment is identical to removing the ashtray.

- Remove bolt - 1 - (1.5 Nm).
- Pull left footwell trim - 2 - out of mounts.
• Removal of right footwell trim is identical.
• Be sure to install the footwell trim panel - 2 - into the retainer - 3 - first.

- Remove the two bolts - 4 - (1.5 Nm).
- Remove bolt - 3 - (1.5 Nm).
- Remove the two bolts - 2 - (1.5 Nm).
- Remove the cover on the center console - 1 - - in direction of arrow -.
• Install the bolts in the following sequence: - 2 -, - 3 - and - 4 -.

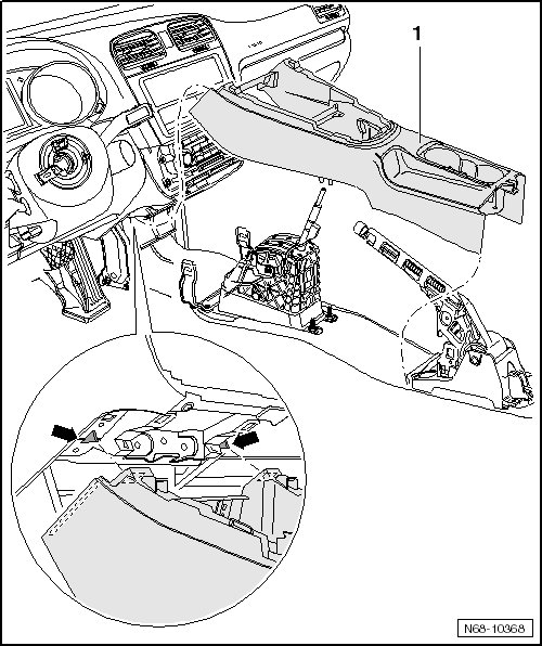
- Remove center console - 1 - from vehicle.
• Make sure the center console locks securely into the mounts - arrows - in the instrument panel.

Installation
- To install, perform the steps used for removal in reverse order.