Cupholder, Center Console, Highline, Servicing
Cupholder, Center Console, Highline, Servicing
If a cupholder is loose or has fallen out, it is not always necessary to replace it. It may be possible to service it.
Checking if Repair is Possible
A partial replacement should only be done if servicing is not possible, for example, because components are too heavily deformed, broken, broken off or damaged in any other way and correct function of the cupholder can no longer be ensured because of this.
- Remove Highline center console cupholder. Refer to => [ Cupholder, Center Console, Highline ] Cupholder, Center Console, Highline
- Loosen cover - 1 - from cupholder - arrow -.

- Check all four cupholder mounting points - 1 - for damage.
- If a mounting point - 2 - is bent up sharply, replace cupholder.
• The cupholder should be replaced if there is any further damage to components that affects proper cupholder function.

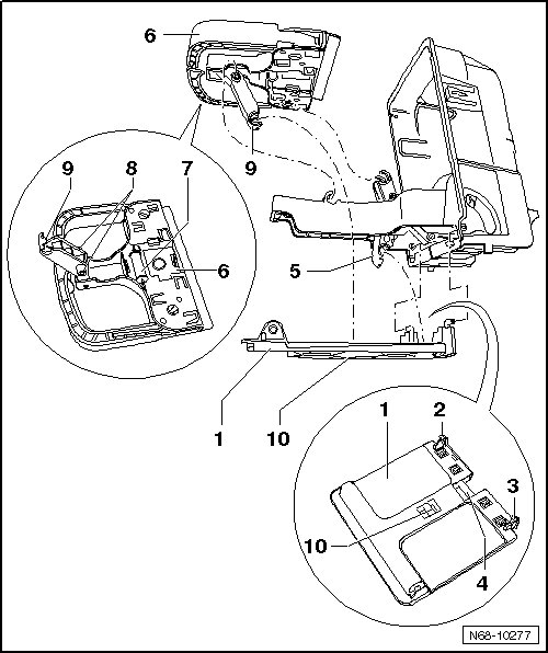
Cupholder, Servicing
- Insert lower cover - 1 - over outer mounting pins - 2 - and - 3 - in cupholder.
- Position mounting pins - 4 - in front of mount - 5 -.
- Insert the upper section - 6 - over the pins - 7 - and mounting pins - 8 - in the cupholder.
- This places the mount - 9 - in front of the pins - 10 -.

- Close cupholder, engaging mounts - 1 - and - 3 - automatically with corresponding pins - 2 - and - 4 -.
- Open cupholder and insert cover.

Cupholder, Installing
- To install, perform the steps used for removal in reverse order.