Bellows
Bellows
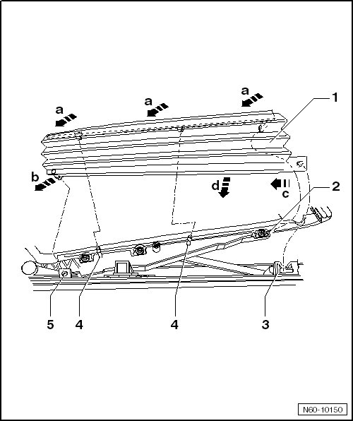
Removing

- Slide sun shade toward rear.
- Tilt open sunroof glass panel.
- Remove the bellows - 1 - from the pins - 4 - - arrows a -.
- Remove the bellow - 1 - from the front mounting on the slotted guide rail guide - 5 - - arrow b -.
- Pull the bellow - 1 - forward in the guide - 3 - - arrow c -.
- Remove the bellow - 1 - - arrow d -.
Installation

- Slide sun shade toward rear.
- Tilt open sunroof glass panel.
- First guide the back of the bellow - 1 - into the mounting - 3 - - arrow a -.
- Slide the bellow - 1 - slightly to the rear - arrow b -.
- Clip the bellow - 1 - into the lower section of the slotted guide rail guide and into the front mount - 5 - - arrow c -.
- Clip the bellow - 1 - onto the fasteners - 4 - in the slotted guide rail guide - arrows d -.