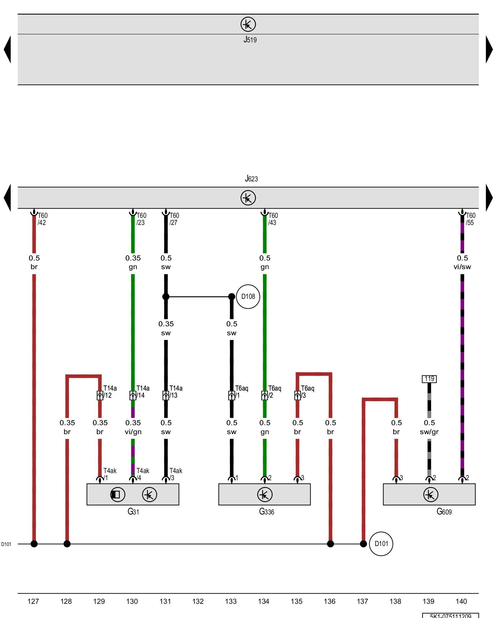
Diagram 75/11 (Tracks 127-140)
IMPORTANT NOTE:
This manufacturer uses "Track" style wiring diagrams.
For information on how to use these diagrams effectively, please refer to Diagram Information and Instructions. Diagram Information and Instructions
Charge air pressure sensor, Intake manifold runner position sensor, Secondary air injection sensor 1

ws = white
sw = black
ro = red
br = brown
gn = green
bl = blue
gr = grey
li = lilac
ge = yellow
or = orange
rs = pink
G31 - Charge air pressure sensor
Locations
G336 - Intake manifold runner position sensor
Locations
G609 - Secondary air injection sensor 1
Locations
J519 - Vehicle electrical system control module Control modules in front part of vehicle - Overview of Control Modules
J623 - Engine control module, in the center plenum chamber Control modules in front part of vehicle - Overview of Control Modules
T4ak - 4-pin connector
T6aq - 6-pin connector, on the engine, front
T14a - 14-pin connector, near the battery Overview of connector stations and connectors
T60 - 60-pin connector
(D101) - Connection (1) (in engine compartment wiring harness)
(D108) - Connection (6) (in engine compartment wiring harness)
Previous Diagram 75/10 (Tracks 113-126)
Next Diagram 75/12 (Tracks 141-154)