Operation CHARM: Car repair manuals for everyone.

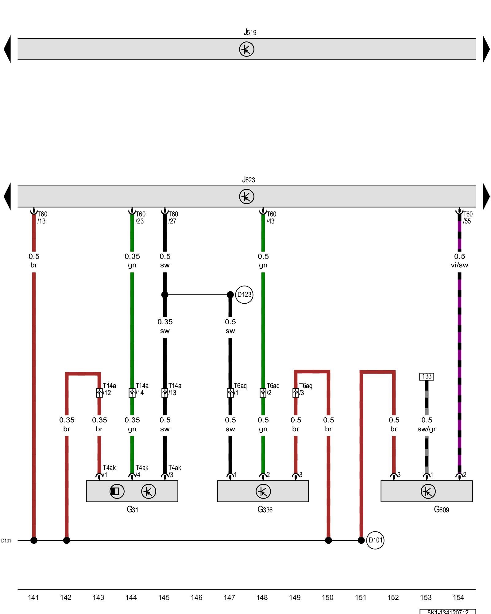
Diagram 134/12 (Tracks 141-154)






IMPORTANT NOTE:
This manufacturer uses "Track" style wiring diagrams.
For information on how to use these diagrams effectively, please refer to Diagram Information and Instructions. Diagram Information and Instructions


Charge air pressure sensor, Intake manifold runner position sensor, Secondary air injection sensor 1, Vehicle electrical system control module, Engine control module





ws = white
sw = black
ro = red
br = brown
gn = green
bl = blue
gr = grey
li = lilac
ge = yellow
or = orange
rs = pink

G31 - Charge air pressure sensor
Locations
[1][2]Air Temperature Sensor ( Ambient / Intake )

G336 - Intake manifold runner position sensor
Locations
[1][2]Diagrams

G609 - Secondary air injection sensor 1
Locations
[1][2]Air Injection Flow Sensor

J519 - Vehicle electrical system control module Control modules in front part of vehicle - Overview of Control Modules

J623 - Engine control module, in the center plenum chamber Control modules in front part of vehicle - Overview of Control Modules

T4ak - 4-pin connector

T6aq - 6-pin connector, on the engine, front

T14a - 14-pin connector, near the battery Overview of connector stations and connectors

T60 - 60-pin connector

(D101) - Connection 1 (in engine compartment wiring harness)

(D123) - Connection 21 (in engine compartment wiring harness)

Previous Diagram 134/11 (Tracks 127-140)

Next Diagram 134/13 (Tracks 155-168)