Windshield and Headlamp Washer System Reservoir
Windshield and Headlamp Washer System Reservoir
Removal
- Switch off ignition, switch off all electrical consumers and remove ignition key.
- Remove filler tube for tank for windshield washer system and headlamp cleaning system. Refer to => [ Windshield and Headlamp Washer Fluid Reservoir Filler Neck ] Windshield and Headlamp Washer Fluid Reservoir Filler Neck.
- Remove the front bumper cover.
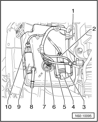
• In order to prevent interchanging washer fluid line connections at Windshield and Rear Window Washer Pump (V59) , connections at pump and hose lines are color-coded. Hose connector pieces must be connected to the corresponding colored pump connections during installation.
- To release, twist the securing clips on the hose connections - 3 - and - 5 - and disconnect them from the windshield and rear window washer pump - 4 -.

- If necessary, save the drained washer fluid in a suitable container.
- Disconnect the Windshield washer fluid level sensor (G33) - 6 - connector - 7 -.
- Remove Windshield and Rear Window Washer Pump - 4 - upward out of tank and disconnect harness connector - 2 -.
- Pull Headlamp Washer Pump (V11) - 9 - upward out of tank and disconnect harness connector - 10 -.
- Remove the screws and nuts - arrows - and then remove the reservoir and filler tube from the vehicle.

Installation
Install in reverse order of removal, noting the following:
- Tighten all the threaded connections to the specification given in the assembly overview. Refer to => [ Windshield Washer System Overview ] Windshield Washer System Overview.
- Bleed headlamp washer system after completing assembly work. Refer to => [ Headlamp Washer System, Bleeding ] Procedures.