Operation CHARM: Car repair manuals for everyone.

Diagram 73/6 (Tracks 57-70)






IMPORTANT NOTE:
This manufacturer uses "Track" style wiring diagrams.
For information on how to use these diagrams effectively, please refer to Diagram Information and Instructions. Diagram Information and Instructions


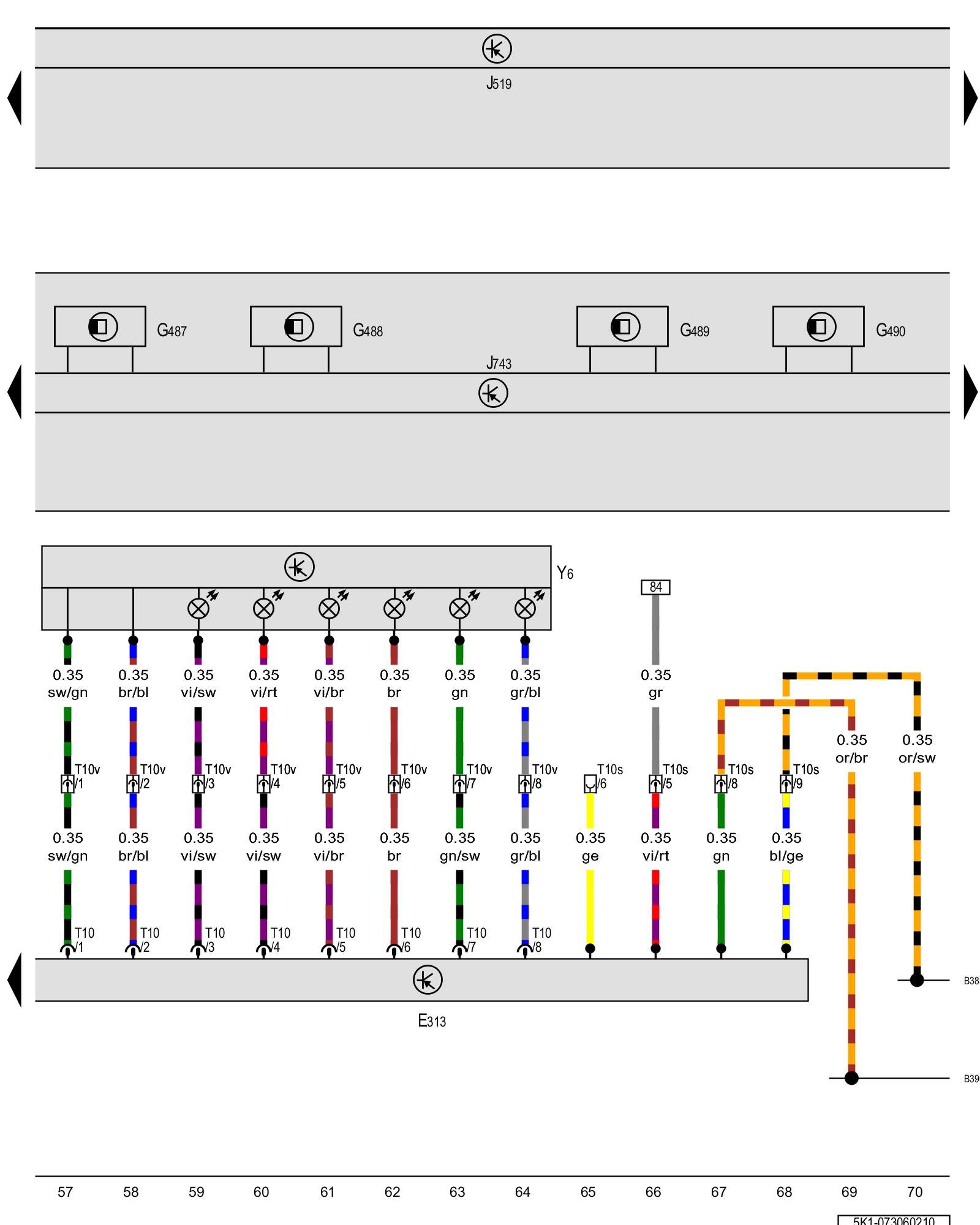
Gear position distance sensor 1, Gear position distance sensor 2, Gear position distance sensor 3, Gear position distance sensor 4, DSG transmission Mechatronic, Transmission range display





ws = white
sw = black
ro = red
br = brown
gn = green
bl = blue
gr = grey
li = lilac
ge = yellow
or = orange
rs = pink

E313 - Selector lever Tiptronic Switch -F189- / Selector Lever -E313- / Selector Lever Park Position Lock Switch -F319-

G487 - Gear position distance sensor 1
Direct Shift Gearbox (DSG)

G488 - Gear position distance sensor 2
Direct Shift Gearbox (DSG)

G489 - Gear position distance sensor 3
Direct Shift Gearbox (DSG)

G490 - Gear position distance sensor 4
Direct Shift Gearbox (DSG)

J519 - Vehicle electrical system control module Control modules in front part of vehicle - Overview of Control Modules

J743 - DSG transmission Mechatronic, in the transmission Direct Shift Gearbox (DSG) Connector Views

T10 - 10-pin connector

T10s - 10-pin connector, under the selector lever

T10v - 10-pin connector, under the selector lever

Y6 - Transmission range display

(B383) - Powertrain CAN bus high connection 1 (in main wiring harness)

(B390) - Powertrain CAN bus low connection 1 (in main wiring harness)

Previous Diagram 73/5 (Tracks 43-56)

Next Diagram 73/7 (Tracks 71-84)