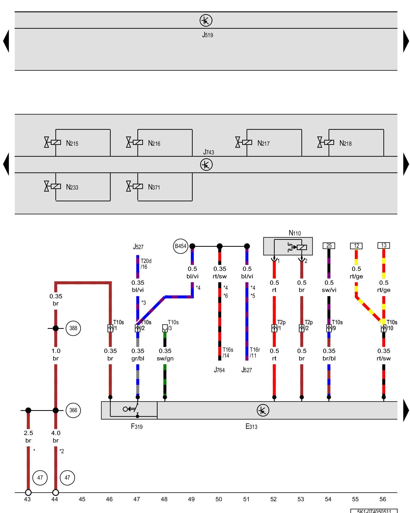
Diagram 74/5 (Tracks 43-56)
IMPORTANT NOTE:
This manufacturer uses "Track" style wiring diagrams.
For information on how to use these diagrams effectively, please refer to Diagram Information and Instructions. Diagram Information and Instructions
Selector lever, Selector lever park position lock switch, DSG transmission Mechatronic, Shift lock solenoid, Automatic transmission pressure regulating valve 1, Automatic transmission pressure regulating valve 2, Automatic transmission pressure regulating valve 3, Automatic transmission pressure regulating valve 4, Automatic transmission pressure regulating valve 5, Automatic transmission pressure regulating valve 6

ws = white
sw = black
ro = red
br = brown
gn = green
bl = blue
gr = grey
li = lilac
ge = yellow
or = orange
rs = pink
E313 - Selector lever Tiptronic Switch -F189- / Selector Lever -E313- / Selector Lever Park Position Lock Switch -F319-
F319 - Selector lever park position lock switch
Direct Shift Gearbox (DSG)
Tiptronic Switch -F189- / Selector Lever -E313- / Selector Lever Park Position Lock Switch -F319-
J519 - Vehicle electrical system control module Control modules in front part of vehicle - Overview of Control Modules
J527 - Steering column electronics control module Control modules in front part of vehicle - Overview of Control Modules
J743 - DSG transmission Mechatronic, in the transmission Direct Shift Gearbox (DSG) Connector Views
J764 - Electronic steering column lock control module Control modules in front part of vehicle - Overview of Control Modules
N110 - Shift lock solenoid
Direct Shift Gearbox (DSG)
N215 - Automatic transmission pressure regulating valve 1
Direct Shift Gearbox (DSG)
N216 - Automatic transmission pressure regulating valve 2
Direct Shift Gearbox (DSG)
N217 - Automatic transmission pressure regulating valve 3
Direct Shift Gearbox (DSG)
N218 - Automatic transmission pressure regulating valve 4
Direct Shift Gearbox (DSG)
N233 - Automatic transmission pressure regulating valve 5
Direct Shift Gearbox (DSG)
N371 - Automatic transmission pressure regulating valve 6
Direct Shift Gearbox (DSG)
T2p - Double connector, under the selector lever
T10s - 10-pin connector, under the selector lever
T16r - 16-pin connector
T16s - 16-pin connector
T20d - 20-pin connector
(47) - Ground connection in right front footwell Overview Of Ground Connections in Interior
(366) - Ground connection 1 (in main wiring harness)
(388) - Ground connection 23 (in main wiring harness)
(B454) - Shift lock connection (in main wiring harness)
* - Only for vehicles without Start/Stop system
*2 - Only for vehicles with Start/Stop system
*3 - Through April 2010
*4 - From May 2010
*5 - Only for vehicles without access/start authorization system
*6 - only for vehicles with access/start authorization system
Previous Diagram 74/4 (Tracks 29-42)
Next Diagram 74/6 (Tracks 57-70)