Operation CHARM
: Car repair manuals for everyone.
Home
>>
Volkswagen
>>
2012
>>
GTI (5K1) L4-2.0L Turbo (CBFA)
>>
Parts and Labor
>>
Steering and Suspension
>>
Suspension
>>
Images
Images
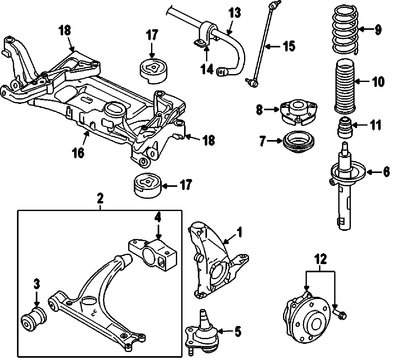
Front Suspension:
Rear Suspension: