Transmission Housing
Transmission Housing
Special tools, testers and auxiliary items required
• Driving Sleeve (VW 244 B)
• Transmission Support (VW 353)
• Thrust Plate (VW 401)
• Thrust Plate (VW 402)
• Punch (VW 407)
• Tube 37 mm Dia. (VW 416 B)
• Guide Piece (VW 436 A)
• Guide Pin (VW 439)
• Slide Hammer-Complete Set (VW 771)
• Holding Fixture (VW 801)
• Guide Piece (10-15)
• Thrust Pad (3124)
• Bearing Driver (3264)
• Subframe Support Assem. Device (3290)
• Torque Wrench (5-50 Nm) (V.A.G 1331)
• Drift (T10169) or (T10362)
• Drift (T10168)
• Thrust Piece (T10203)
• Kukko Extractor 14.5-18.6 mm (21/2)
• Kukko Extractor 23.5-30 mm (21/4)
• Kukko Support (22/2)
• Threaded Adapter from Kukko Support (22/1)

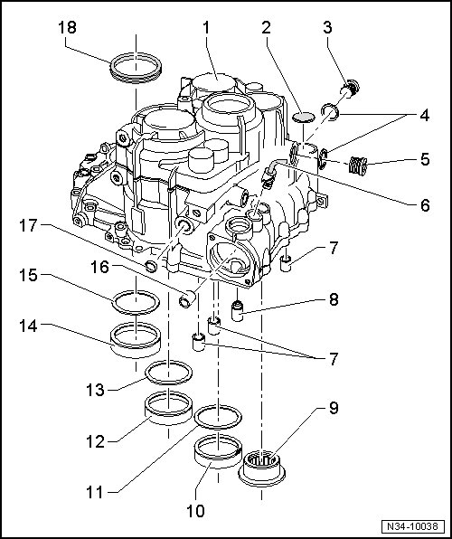
1 Transmission Housing
• When replacing: Adjust the output shafts and differential. Refer to => [ Adjustment Overview ] Adjustment Overview.
• Changes to the grooved ball bearing/input shaft mount area. See - item 3 - in the => [ Input Shaft Overview ] Input Shaft Overview.
• Changes to the sealing cap/input shaft mount area. See - item 4 - in the => [ Transmission Housing and Gear Shift Unit Overview ] Transmission Housing and Gear Shift Unit Overview.
• Refer to the Parts Catalog.
2 Cover
• Removing, refer to => [ Removing the Cover ].
• Installing, refer to => [ Installing the Cover ].
3 Drain Plug
• Tightening specification, refer to => [ Different Versions of the Oil Fill and Drain Plugs ] Service and Repair.
4 Seal
• Always replace, if equipped.
5 Fill Plug
• Tightening specification, refer to => [ Different Versions of the Oil Fill and Drain Plugs ] Service and Repair.
6 Locking Pin
• For adjusting the shift mechanism, refer to => [ Shift Mechanism, Adjusting ] Adjustments.
• Can be replaced with the transmission assembled.
• Removing, refer to => [ Removing the Locking Pin for the Gear Shift Shaft ].
• Installed position, refer to => [ Installed Position: Locking Pin ].
• Installing, refer to => [ Drive in the Lock Pin up to the Tool Stop ].
7 Bushing
• For the selector shafts.
• Removing, refer to => [ Removing the Selector Shaft Bushing ].
• Installing, refer to => [ Installing the Selector Shaft Bushing ].
8 Retaining Sleeve
• Removing when the transmission is disassembled. Refer to => [ Removing the Retaining Sleeve from the Transmission Housing ].
• Removing when the transmission is assembled. Refer to => [ Removing the Retaining Sleeve on a Assembled Transmission using the ].
• Different retaining sleeves, refer to => [ Retaining Sleeve Differentiation ].
• Installing a retaining sleeve with a shoulder. Refer to => [ Drive in the Locking Sleeve with a Shoulder up to the Tool Stop ].
• Installing the retaining sleeve without a shoulder. Refer to => [ Drive in the Locking Sleeve without a Shoulder up to the Tool Stop ].
9 Needle Sleeve
• For the reverse gear shaft.
• Always replace if removed.
• Removing, refer to => [ Removing the Reverse Gear Shaft Needle Sleeve from the Transmission Housing ].
• Installing, refer to => [ Installing the Needle Sleeve into the Transmission Housing ].
10 Outer Race/Tapered Roller Bearing
• For the 5th, 6th and reverse gear output shaft.
• Removing and installing, refer to => [ Output Shaft, 5th, 6th and Reverse Gears ] Output Shaft, 5th, 6th and Reverse Gears.
• When replacing: adjust the output shaft for 5th, 6th and reverse gear. Refer to => [ Output Shaft, 5th, 6th and Reverse Gears, Adjusting ] Output Shaft, 5th, 6th and Reverse Gears, Adjusting.
11 Adjusting Shim
• For the 5th, 6th and reverse gear output shaft.
• Adjustment overview, refer to => [ Adjustment Overview ] Adjustment Overview.
12 Outer Race/Tapered Roller Bearing
• For the 1st to 4th gear output shaft.
• Removing and installing, refer to => [ Output Shaft, 1st to 4th Gears ] Output Shaft, 1st to 4th Gears.
• When replacing: adjust the output shaft for 1st to 4th gear. Refer to => [ Output Shaft, 1st to 4th Gears, Adjusting ] Output Shaft, 1st to 4th Gears, Adjusting.
13 Adjusting Shim
• For the 1st to 4th gear output shaft.
• Adjustment overview, refer to => [ Adjustment Overview ] Adjustment Overview.
14 Outer Race/Tapered Roller Bearing
• For the differential.
• Removing and installing, refer to => [ Differential ] Service and Repair.
• When replacing: adjust the differential. Refer to => [ Adjustment Overview ] Adjustment Overview.
15 Adjusting Shim
• For the differential.
• Adjustment overview, refer to => [ Adjustment Overview ] Adjustment Overview.
16 Bushing
• For the gear shift shaft.
• Removing, refer to => [ Removing the Gear Shift Shaft Bushing ].
• Installing, refer to => [ Installing the Gear Shaft Bushing up to the Tool Stop ].
17 Plugs
• Removing, refer to => [ Removing the Plug ].
• Installing, refer to => [ Installing the Plug ].
18 Seal
• Removing and installing, refer to => [ Left Flange Shaft and Seal ] Left Flange Shaft and Seal.
Removing the Cover

- Pierce the rubber cover - A - in the center with a screwdriver - B - and pry it out in the - direction of the arrow -.
Installing the Cover

Removing the Locking Pin for the Gear Shift Shaft

- Remove the pin in its unlocked position.
- Guide a screwdriver - A - into the hole for the locking pin - B -.
- Pry out the locking pin in the - direction of the arrow -.
Installed Position: Locking Pin

- The mark on the locking pin - arrow - must point toward the connection on the clutch slave cylinder - 1 -.
Dimension - a - must be approximately 45°.
Drive in the Lock Pin up to the Tool Stop

• The locking pin - arrow - must be unlocked when being installed.
Removing the Selector Shaft Bushing

A Internal puller 14.5 to 18.5 mm, for example, Kukko extractor 14.5-18.5 mm (21/2)
B Counter support, for example, Kukko support (22/2)
Installing the Selector Shaft Bushing

Removing the Retaining Sleeve - A - from the Transmission Housing

- Position the transmission housing on the thrust plates (VW 401) and (VW 402) so that the alignment sleeves inside the transmission housing do not get damaged.
Removing the Retaining Sleeve on a Assembled Transmission using the Guide Piece (10-15)

• The locking screw and selector shaft removed.
- Rotate the transmission so that the retaining sleeve cannot fall into the transmission.
Retaining Sleeve Differentiation

The following lock sleeves may be installed:
Locking sleeve with a shoulder - arrow 1 -. Refer to => [ Drive in the Locking Sleeve with a Shoulder up to the Tool Stop ].
Locking sleeve without a shoulder - arrow 2 -. Refer to => [ Drive in the Locking Sleeve without a Shoulder up to the Tool Stop ].
Refer to the Parts Catalog.
Drive in the Locking Sleeve with a Shoulder up to the Tool Stop

• The transmission housing is bolted to the clutch housing.
Drive in the Locking Sleeve without a Shoulder up to the Tool Stop

• The transmission housing is bolted to the clutch housing.
Removing the Reverse Gear Shaft Needle Sleeve from the Transmission Housing

A Internal puller 23.5 to 30 mm, for example, Kukko extractor 23.5-30 mm (21/4)
B Counter support, for example, Kukko support (22/2)
• The needle sleeve will get damaged when it is removed and must be replaced.
Installing the Needle Sleeve into the Transmission Housing

- While installing, place the thrust washer - B - for the reverse gear shaft onto the needle sleeve - A -.
- Support the transmission housing beneath the bearing mount using the tube 37 mm dia. (VW 416 B).
Removing the Gear Shift Shaft Bushing

- Use the threaded adapter from the Kukko support (22/1) - arrow -.
- Hold the spindle on the subframe support assem. device (3290) and turn the nut - B -.
A Internal puller 14.5 to 18.5 mm, for example, Kukko extractor 14.5-18.5 mm (21/2)
Installing the Gear Shaft Bushing - A - up to the Tool Stop

Removing the Plug

- Drive the plug - 1 - from the inner side of the transmission housing toward the outside - arrow -.
Installing the Plug

- Using the bearing driver (3264) , drive in the plug - 1 - to approximately 3 mm - a - below the upper edge of the housing.