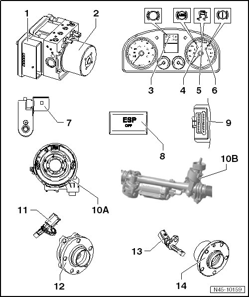
ABS Mark 60 EC (ABS/EDS/ASR/ESP)
Anti-lock Brake System
ABS Mark 60 EC (ABS/EDS/ASR/ESP)

1 - ABS Control Unit -J104- , with integrated components:
• Transverse Acceleration Sensor -G200-
• Rotation Rate Sensor -G202-
• Longitudinal Acceleration Sensor -G251-
• Located at hydraulic unit on right side of engine compartment.
2 - ABS Hydraulic Unit -N55-
• Located in engine compartment, on right side.
The hydraulic unit consists of the following components:
• ABS Hydraulic Pump -V64-
• Brake Pressure Sensor 1 -G201-
• Valve block (contains the in/outlet valves).
3 - Brake Pad Warning Lamp -K32-
• Located in the instrument cluster
4 - ABS Warning Lamp -K47-
• Located in the instrument cluster
5 - ESP and TCS Warning Lamp -K155-
• Located in the instrument cluster
6 - Brake System Warning Lamp -K118-
• Located in the instrument cluster
7 - Brake Light Switch -F-
• Includes Brake Pedal Switch -F47-
• Located on the brake master cylinder
ABS Mark 60 EC (ABS/EDS/ASR/ESP) continued

8 - TCS and ESP Button -E256-
• Located in the center console
9 - Diagnostic Connection
10 - Steering Angle Sender -G85-
Note:
• From 06.08, the steering angle sensor is located inside the steering
gear on vehicles equipped with generation 3 electromechanical steering
• Location A: On the steering column between the steering wheel and the steering column switch => [ Power Steering Unit With Electro/ Mechanical Steering ] See Image Below.
• Location B: Inside the steering gear => [ With Out Electro/ Mechanical Steering ] See Image Below.
11 - Front Right Speed Sensor -G45- and Front Left Speed Sensor -G47- => [ Front Wheel Speed Sensor ] See Image Below.
12 - Wheel Hub with Wheel Bearing
• The ABS sensor ring is installed in the wheel bearing
13 - Rear Right Speed Sensor -G44- and Rear Left Speed Sensor -G46-
• Rear Wheel Speed Sensor - FWD location => [ Rear Wheel Speed Sensor - FWD ] See Image Below.
• Rear Wheel Speed Sensor - AWD location => [ Rear Wheel Speed Sensor - AWD ] See Image Below.
14 - Wheel Hub with Wheel Bearing
• The ABS sensor ring is installed in the wheel bearing
Power Steering Unit With Electro/
Mechanical Steering

Note:
• From 06.08, the steering angle sensor is located inside the steering
gear on vehicles equipped with generation 3 electromechanical steering
6 - Power Steering Unit With Electro/ Mechanical Steering
The following are integrated into the Steering Unit:
• Power Steering Control Module -J500-
• Electro-mechanical Power Steering Motor -V187-
• Steering Angle Sensor -G85- view with
out Electro/ Mechanical Steering => [ With Out Electro/ Mechanical Steering ] See Image Below.
• Steering Torque Sensor -G269-
With Out Electro/ Mechanical Steering

1 - Steering angle sender -G85- On the steering column between the steering wheel and the steering column switch
Front Wheel Speed Sensor

1 - Front right speed sensor -G45- and Front left speed sensor -G47-
Rear Wheel Speed Sensor - FWD

1 - Right Rear ABS Wheel Speed Sensor -G44- or Left Rear ABS Wheel Speed Sensor -G46-
Rear Wheel Speed Sensor - AWD

1 - Right Rear ABS Wheel Speed Sensor -G44- or Left Rear ABS Wheel Speed Sensor -G46-