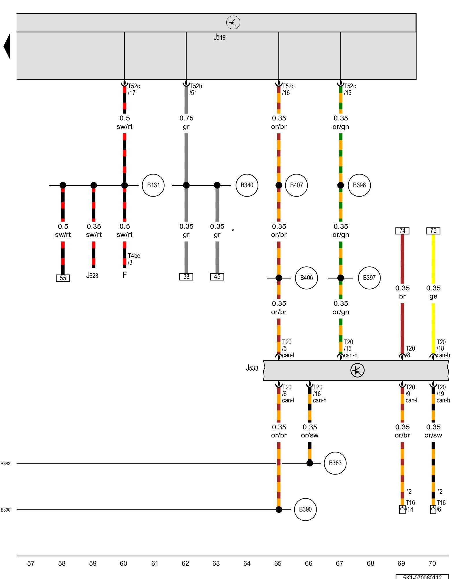
Diagram 70/6 (Tracks 57-70)
IMPORTANT NOTE:
This manufacturer uses "Track" style wiring diagrams.
For information on how to use these diagrams effectively, please refer to Diagram Information and Instructions. Diagram Information and Instructions
Data bus on board diagnostic interface

ws = white
sw = black
ro = red
br = brown
gn = green
bl = blue
gr = grey
li = lilac
ge = yellow
or = orange
rs = pink
F - Brake lamp switch ABS Mark 70 (ABS/ASR) [1][2]Brake Light Switch
J519 - Vehicle electrical system control module Control modules in front part of vehicle - Overview of Control Modules
J533 - Data bus on board diagnostic interface, in the left footwell, near the center console Control modules in front part of vehicle - Overview of Control Modules
J623 - Engine control module Control modules in front part of vehicle - Overview of Control Modules
T4bc - 4-pin connector
T16 - 16-pin connector
T20 - 20-pin connector
T52b - 52-pin connector
T52c - 52-pin connector
(B131) - Connection (54) (in interior wiring harness)
(B340) - Connection 1 (58d) (in main wiring harness)
(B383) - Powertrain CAN bus high connection 1 (in main wiring harness)
(B390) - Powertrain CAN bus low connection 1 (in main wiring harness)
(B397) - Comfort system CAN bus high connection 1 (in main wiring harness)
(B398) - Comfort system CAN bus high connection 2 (in main wiring harness)
(B406) - Comfort system CAN bus low connection 1 (in main wiring harness)
(B407) - Comfort system CAN bus low connection 2 (in main wiring harness)
* - Only for vehicles with tire pressure monitoring
*2 - Diagnostic connector
Previous Diagram 70/5 (Tracks 43-56)
Next Diagram 70/7 (Tracks 71-84)