Operation CHARM: Car repair manuals for everyone.

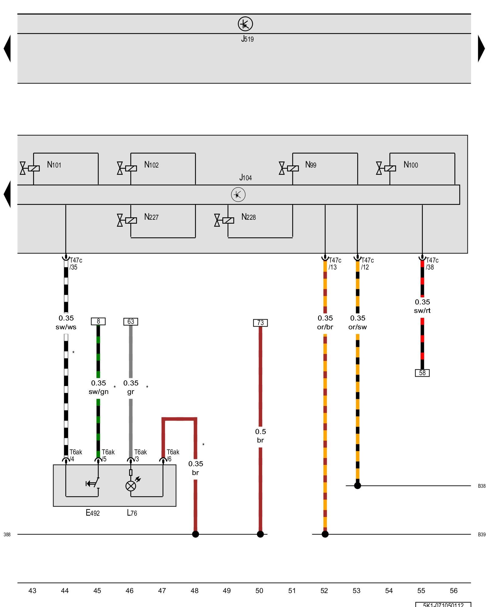
Diagram 71/5 (Tracks 43-56)






IMPORTANT NOTE:
This manufacturer uses "Track" style wiring diagrams.
For information on how to use these diagrams effectively, please refer to Diagram Information and Instructions. Diagram Information and Instructions


Tire pressure monitoring display button, ABS control module





ws = white
sw = black
ro = red
br = brown
gn = green
bl = blue
gr = grey
li = lilac
ge = yellow
or = orange
rs = pink

E492 - Tire pressure monitoring display button

J104 - ABS control module, in the engine compartment, right Control modules in front part of vehicle - Overview of Control Modules [1][2]Diagrams

J519 - Vehicle electrical system control module Control modules in front part of vehicle - Overview of Control Modules

L76 - Push button illumination bulb

N99 - Right front ABS inlet valve

N100 - Right front ABS outlet valve

N101 - Left front ABS inlet valve

N102 - Left front ABS outlet valve

N227 - Driving dynamics regulation high pressure switch valve 1

N228 - Driving dynamics regulation high pressure switch valve 2

T6ak - 6-pin connector

T47c - 47-pin connector

(388) - Ground connection 23 (in main wiring harness)

(B383) - Powertrain CAN bus high connection 1 (in main wiring harness)

(B390) - Powertrain CAN bus low connection 1 (in main wiring harness)

* - Only for vehicles with tire pressure monitoring

Previous Diagram 71/4 (Tracks 29-42)

Next Diagram 71/6 (Tracks 57-70)