Operation CHARM: Car repair manuals for everyone.

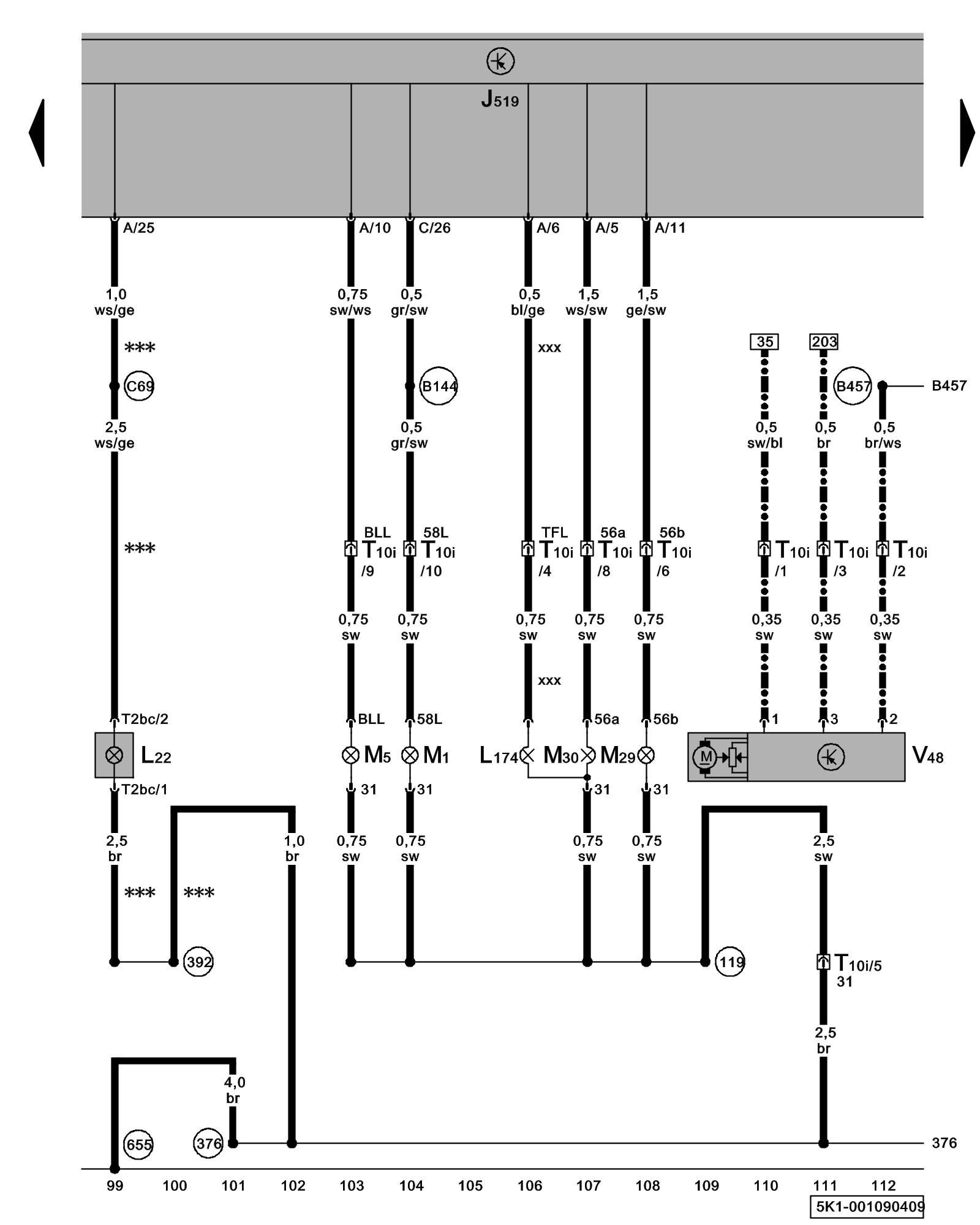
Diagram 1/9 (Tracks 99-112)






IMPORTANT NOTE:
This manufacturer uses "Track" style wiring diagrams.
For information on how to use these diagrams effectively, please refer to Diagram Information and Instructions. Diagram Information and Instructions


Left Headlamp, Left Daytime Running Lamp (DRL) Lamp, Left Front Fog Lamp, Left Headlamp Beam Adjustment Motor





ws = white
sw = black
ro = red
br = brown
gn = green
bl = blue
gr = grey
li = lilac
ge = yellow
or = orange
rs = pink

J519 - Vehicle Electrical System Control Module Control modules in front part of vehicle - Overview of Control Modules

L22 - Left Front Fog Lamp

L174 - Left Daytime Running Lamp (DRL) Lamp

M1 - Left Parking Lamp

M5 - Left Front Turn Signal Lamp

M29 - Left Low Beam Headlamp

M30 - Left High Beam Headlamp

T2bc - Double Connector

T10i - 10-Pin Connector, on left headlamp

V48 - Left Headlamp Beam Adjustment Motor

(119) - Ground Connection 1 (in headlamp wiring harness)

(376) - Ground Connection 11 (in main wiring harness)

(392) - Ground Connection 27 (in main wiring harness)

(655) - Ground Connection (on left headlamp) Overview Of Ground Connections in Engine Compartment

(B144) - Plus Connection (58L) (in interior wiring harness)

(B457) - Position Sensor Connection 1 (in main wiring harness)

(C69) - Fog Lamps Connection (in front left wiring harness)

*** - Only models with front fog lamps

-^^- - Only models with static headlamp range regulation

xxx - Only models with daytime running lights

Previous Diagram 1/8 (Tracks 85-98)

Next Diagram 1/10 (Tracks 113-126)