Operation CHARM: Car repair manuals for everyone.

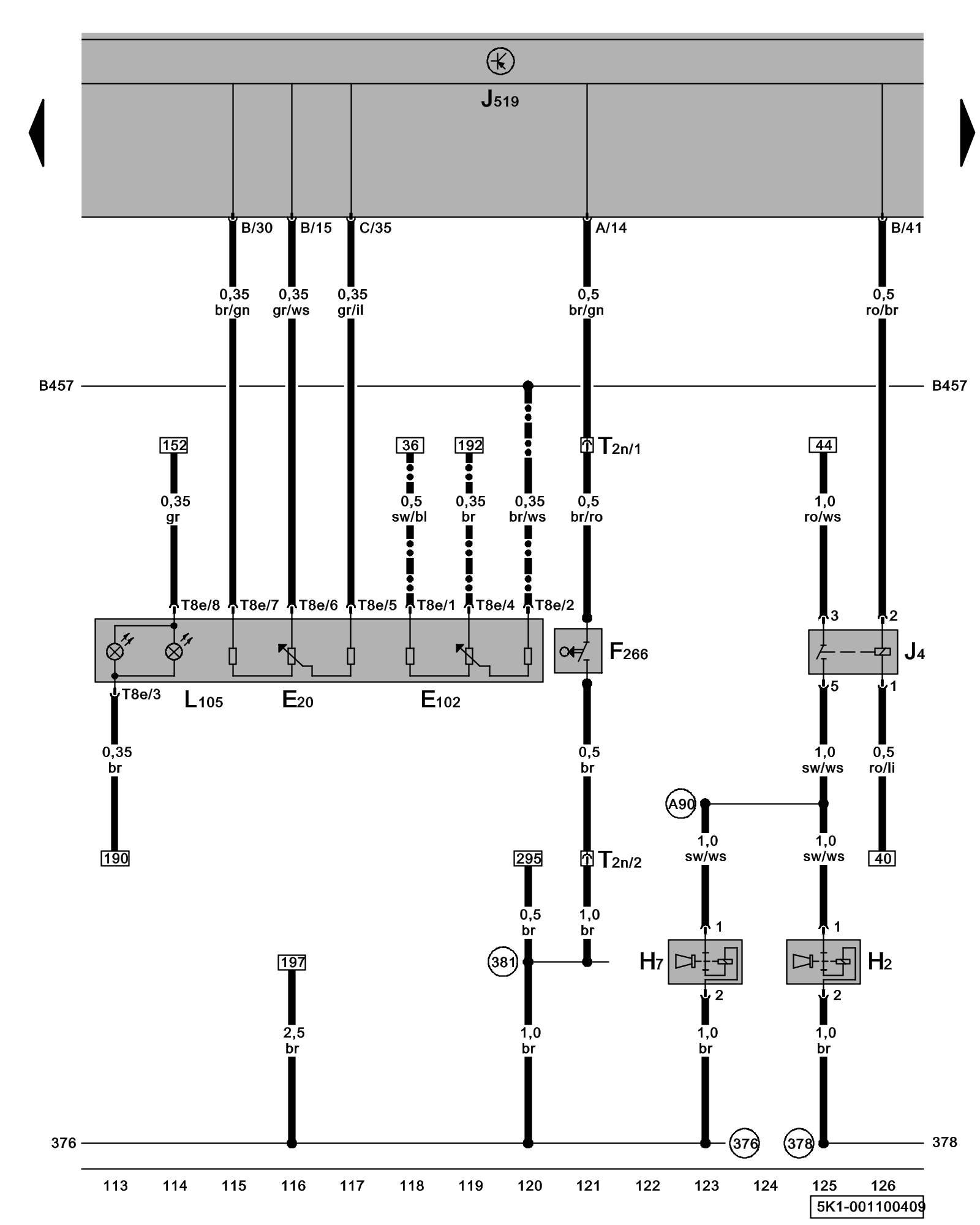
Diagram 1/10 (Tracks 113-126)






IMPORTANT NOTE:
This manufacturer uses "Track" style wiring diagrams.
For information on how to use these diagrams effectively, please refer to Diagram Information and Instructions. Diagram Information and Instructions


Instrument Panel Illumination Dimmer Switch, Headlamp Adjuster, Dual Horn Relay, Low Tone Horn, High Tone Horn, Front Hood Switch





ws = white
sw = black
ro = red
br = brown
gn = green
bl = blue
gr = grey
li = lilac
ge = yellow
or = orange
rs = pink

E20 - Instrument Panel Illumination Dimmer Switch

E102 - Headlamp Adjuster

F266 - Front Hood Switch Locations

H2 - High Tone Horn

H7 - Low Tone Horn

J4 - Dual Horn Relay Overview Of Relay Carrier

J519 - Vehicle Electrical System Control Module Control modules in front part of vehicle - Overview of Control Modules

L105 - Illumination Control Illumination

T2n - Double Connector, near left headlamp

T8e - 8-Pin Connector

(376) - Ground Connection 11 (in main wiring harness)

(378) - Ground Connection 13 (in main wiring harness)

(381) - Ground Connection 16 (in main wiring harness)

(A90) - Dual-tone Horn Connection (in instrument panel wiring harness)

-^^- - Only models with static headlamp range regulation

Previous Diagram 1/9 (Tracks 99-112)

Next Diagram 1/11 (Tracks 127-140)