Climatic (Manual Climate Control) A/C System w/ Manual Control Overview
Climatic / Climatronic Systems
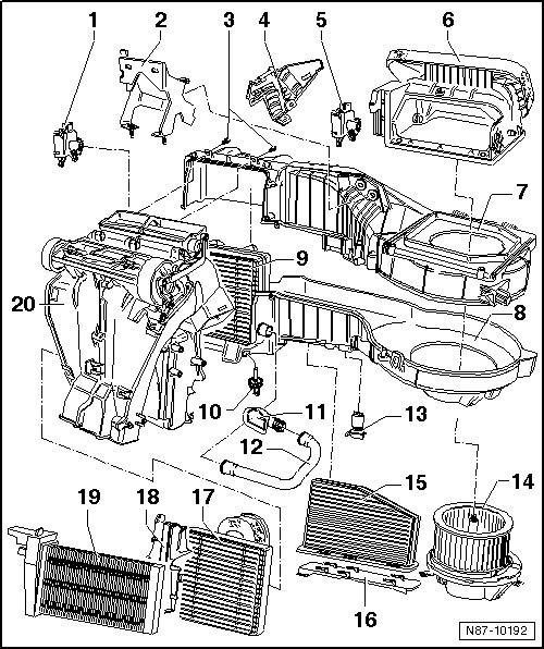
Climatic A/C System with Manual Control Overview

1 - Instrument panel
2 - Center vents
3 - Right side vent
4 - Right vent
5 - A/C Control Module -J301-
• A/C Control Module -J301- is integrated with the following:
• Instrument Panel Interior Temperature Sensor -G56-
• Fresh Air/Recirculating Flap Switch -E159-
• Rear Window Defogger Switch -E230-
• Fresh Air Blower Switch -E9-
• Heated Driver Seat Adjuster -E94-
• Heated Front Passenger Seat Adjuster -E95-
• Immediate Heating Button -E537-
• Temperature Selector Knob Potentiometer -G267-
6 - Recirculation Flap Motor -V113-
• Integrated with Recirculation Flap Motor Position Sensor -G143-
• Located around the intake housing
• Climatronic in Car Overview locationClimatronic (Automatic Climate Control) A/C System w/ Automatic Control Overview
7 - Right footwell vent
8 - Fresh air blower -V2-
• Accessible from footwell on front passenger side.
• Climatronic A/C System with Automatic Control Component Overview location => [ Climatronic A/C System with Automatic Control Overview ] Climatronic (Automatic Climate Control) A/C System w/ Automatic Control Overview
9 - Fresh Air Blower Series Resistor With Fuse -N24-
10 - Heating unit partition
Climatic A/C System with Manual Control Component Overview
continued

11 - Evaporator Temperature Sensor -G308- or Evaporator Vent Temperature Sensor -G263-
• One or both of the component designations will appear, depending on software. The tasks are the same
• Located in the right footwell trim
• Climatronic A/C System with Automatic Control Overview locationClimatronic (Automatic Climate Control) A/C System w/ Automatic Control Overview
12 - Sealing caps
• Only in vehicles without air guide to vent installed in center console at rear
13 - Dust and pollen filter
• Located in the right footwell trim
17 - Auxiliary Air Heater Heating Element -Z35-
• Only installed on vehicles with Diesel engine without auxiliary heater
• Climatronic A/C System with Automatic Control OverviewClimatronic (Automatic Climate Control) A/C System w/ Automatic Control Overview
18 - Heat exchanger
19 - Left footwell vent
20 - Temperature Regulator Flap Motor -V68-
• Integrated with Temperature Regulator Flap Motor Position Sensor -G92-
• Accessible from the left footwell trim
21 - Front Air Distribution Flap Motor -V426- with Front Air Distribution Flap Motor Position Sensor -G642- /Air distribution door motor -V428- with Air distribution door motor position sensor -G645-
• Climatronic A/C System with Automatic Control Overview locationClimatronic (Automatic Climate Control) A/C System w/ Automatic Control Overview
22 - Footwell Outlet Temperature Sensor -G192- => [ Footwell Outlet Temperature Sensor ] See Image Below.
• Located at the left footwell vent
23 - Heating and A/C unit
24 - Left side vent
25 - Center Outlet Temperature Sensor -G191- => [ Center Outlet Temperature Sensor ] See Image Below.
• Located behind cover at left of instrument panel
Climatic in Car Overview

-
1 - Temperature Regulator Flap Motor -V68- => [ Temperature Regulator Flap Motor ] See Image Below.
• Accessible from the left footwell trim
2 - Bracket
4 - Cover
5 - Recirculation Flap Motor -V113- => [ Recirculation Flap Motor ] See Image Below.
• Integrated with Recirculation Flap Motor Position Sensor -G143-
• Climatronic in Car Overview locationClimatronic (Automatic Climate Control) A/C System w/ Automatic Control Overview
6 - Housing for air entry
7 - Evaporator housing: Upper part
8 - Evaporator housing: Lower part
9 - Evaporator
10 - Evaporator Temperature Sensor -G308- or Evaporator Vent Temperature Sensor -G263- => [ Evaporator Temperature Sensor or Evaporator Vent Temperature Sensor ] See Image Below.
• One or both of the component designations will appear, depending on software. The tasks are the same
• located in the right footwell trim
• Climatronic A/C System with Automatic Control Overview locationClimatronic (Automatic Climate Control) A/C System w/ Automatic Control Overview
11 - Connection for glove compartment cooling
12 - Cooling hose for glove compartment cooling
13 - Fresh Air Blower Series Resistor With Fuse -N24- => [ Fresh Air Blower Series Resistor With Fuse ] See Image Below.
Climatic in Car Overview continued

14 - Fresh air blower -V2- => [ Fresh air blower ] See Image Below.
• Climatronic A/C System with Automatic Control Component Overview location => [ Climatronic A/C System with Automatic Control Overview ] Climatronic (Automatic Climate Control) A/C System w/ Automatic Control Overview
15 - Dust and pollen filter
16 - Cover
17 - Heat exchanger
18 - Heater core trim
19 - Auxiliary Air Heater Heating Element -Z35-
• Only on vehicles with Diesel engine without auxiliary heater
• Climatronic A/C System with Automatic Control OverviewClimatronic (Automatic Climate Control) A/C System w/ Automatic Control Overview
20 - Air distribution housing
Recirculation Flap Motor

2 - Recirculation Flap Motor -V113-
Fresh air blower

A - Fresh air blower -V2-
Fresh Air Blower Series Resistor
With Fuse

1 - Fresh Air Blower Series Resistor With Fuse -N24-
Evaporator Temperature Sensor
or Evaporator Vent Temperature Sensor

1 - Evaporator Temperature Sensor -G308- or Evaporator Vent Temperature Sensor -G263-
Temperature Regulator Flap Motor

B - Temperature Regulator Flap Motor -V68- -integrated
Footwell Outlet Temperature Sensor

1 - Footwell Outlet Temperature Sensor -G192-
Center Outlet Temperature Sensor

2 - Center Outlet Temperature Sensor -G191-