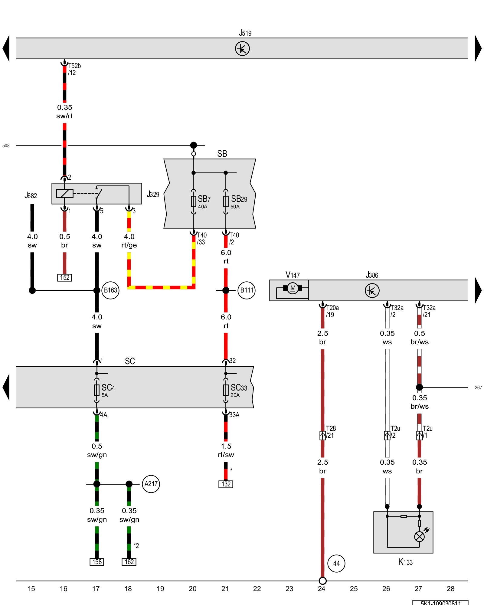
Diagram 109/3 (Tracks 15-28)
IMPORTANT NOTE:
This manufacturer uses "Track" style wiring diagrams.
For information on how to use these diagrams effectively, please refer to Diagram Information and Instructions. Diagram Information and Instructions
Terminal 15 power supply relay, Driver door control module, Central locking -SAFE- indicator lamp, Fuse panel B, Fuse panel C, Driver window regulator motor

ws = white
sw = black
ro = red
br = brown
gn = green
bl = blue
gr = grey
li = lilac
ge = yellow
or = orange
rs = pink
J329 - Terminal 15 power supply relay Overview Of Relay Carrier
J386 - Driver door control module Locations Driver Door Control Module -J386-
J519 - Vehicle electrical system control module Control modules in front part of vehicle - Overview of Control Modules
J682 - Terminal 50 power supply relay Overview Of Relay Carrier
K133 - Central locking -SAFE- indicator lamp Anti-Theft System
SB - Fuse panel B Fuse overview (SA), (SB), (SC)
SC4 - Fuse 4 (on fuse panel C) Fuse overview (SA), (SB), (SC)
SB7 - Fuse 7 (on fuse panel B) Fuse overview (SA), (SB), (SC)
SB29 - Fuse 29 (on fuse panel B) Fuse overview (SA), (SB), (SC)
SC - Fuse panel C Fuse overview (SA), (SB), (SC)
SC33 - Fuse 33 (on fuse panel C) Fuse overview (SA), (SB), (SC)
T2u - Double connector, in the driver door
T20a - 20-pin connector
T28 - 28-pin connector, in the left A-pillar connector station Overview of connector stations and connectors
T32a - 32-pin connector
T40 - 40-pin connector
T52b - 52-pin connector
V147 - Driver window regulator motor
(44) - Ground connection on A-pillar, lower left
(267) - Ground connection 2 (in driver door wiring harness)
(508) - Terminal 30 threaded connection (on E-box)
(A217) - Positive connection 8 (15a) (in instrument panel wiring harness)
(B111) - Positive connection 1 (30a) (in interior wiring harness)
(B163) - Positive connection 1 (15) (in interior wiring harness)
* - Only for vehicles with a sunroof
*2 - Only for vehicles with high beam assist
Previous Diagram 109/2 (Tracks 1-14)
Next Diagram 109/4 (Tracks 29-42)