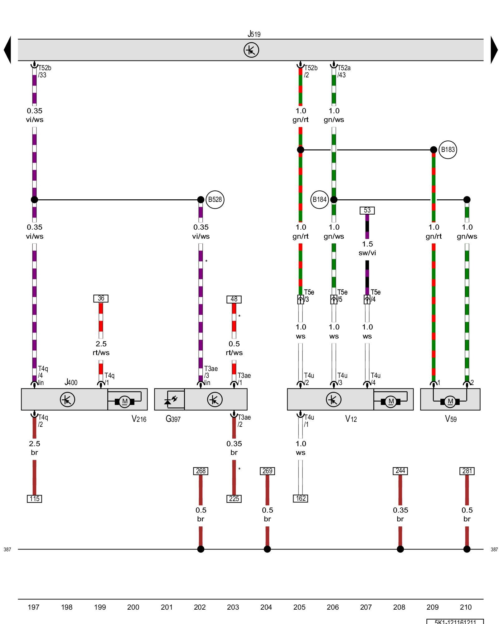
Diagram 121/16 (Tracks 197-210)
IMPORTANT NOTE:
This manufacturer uses "Track" style wiring diagrams.
For information on how to use these diagrams effectively, please refer to Diagram Information and Instructions. Diagram Information and Instructions
Rain/light recognition sensor, Wiper motor control module, Rear window wiper motor, Windshield and rear window washer pump, Driver windshield wiper motor

ws = white
sw = black
ro = red
br = brown
gn = green
bl = blue
gr = grey
li = lilac
ge = yellow
or = orange
rs = pink
G397 - Rain/light recognition sensor
J400 - Wiper motor control module
J519 - Vehicle electrical system control module Control modules in front part of vehicle - Overview of Control Modules
T3ae - 3-pin connector Overview of connector stations and connectors
T4q - 4-pin connector
T4u - 4-pin connector
T5e - 5-pin connector, in the left rear side panel Overview of connector stations and connectors
T52a - 52-pin connector
T52b - 52-pin connector
V12 - Rear window wiper motor
V59 - Windshield and rear window washer pump
V216 - Driver windshield wiper motor
(387) - Ground connection 22 (in main wiring harness)
(B183) - Windshield washer pump connection 1 (in interior wiring harness)
(B184) - Windshield washer pump connection 2 (in interior wiring harness)
(B528) - LIN bus connection 1 (in main wiring harness)
* - Only for vehicles with rain/light recognition sensor
Previous Diagram 121/15 (Tracks 183-196)
Next Diagram 121/17 (Tracks 211-224)