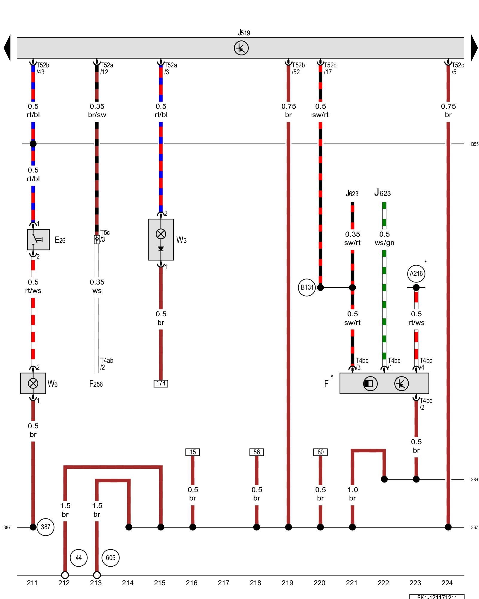
Diagram 121/17 (Tracks 211-224)
IMPORTANT NOTE:
This manufacturer uses "Track" style wiring diagrams.
For information on how to use these diagrams effectively, please refer to Diagram Information and Instructions. Diagram Information and Instructions
Glove compartment lamp switch, Brake lamp switch, Luggage compartment lamp, Glove compartment lamp

ws = white
sw = black
ro = red
br = brown
gn = green
bl = blue
gr = grey
li = lilac
ge = yellow
or = orange
rs = pink
E26 - Glove compartment lamp switch
F - Brake lamp switch ABS Mark 70 (ABS/ASR) [1][2]Brake Light Switch
F256 - Rear lid lock unit Locations
J519 - Vehicle electrical system control module Control modules in front part of vehicle - Overview of Control Modules
J623 - Engine control module Control modules in front part of vehicle - Overview of Control Modules
T4ab - 4-pin connector
T4bc - 4-pin connector
T5c - 5-pin connector, in the left rear side panel Overview of connector stations and connectors
T52a - 52-pin connector
T52b - 52-pin connector
T52c - 52-pin connector
W3 - Luggage compartment lamp
W6 - Glove compartment lamp
(44) - Ground connection on A-pillar, lower left
(367) - Ground connection 2 (in main wiring harness)
(387) - Ground connection 22 (in main wiring harness)
(389) - Ground connection 24 (in main wiring harness)
(605) - Ground connection on upper steering column
(A216) - Positive connection 2 (87a) (in instrument panel wiring harness)
(B131) - Connection (54) (in interior wiring harness)
(B559) - Positive connection 1 (30g) (in main wiring harness)
* - Refer to applicable engine wiring diagram
Previous Diagram 121/16 (Tracks 197-210)
Next Diagram 121/18 (Tracks 225-238)