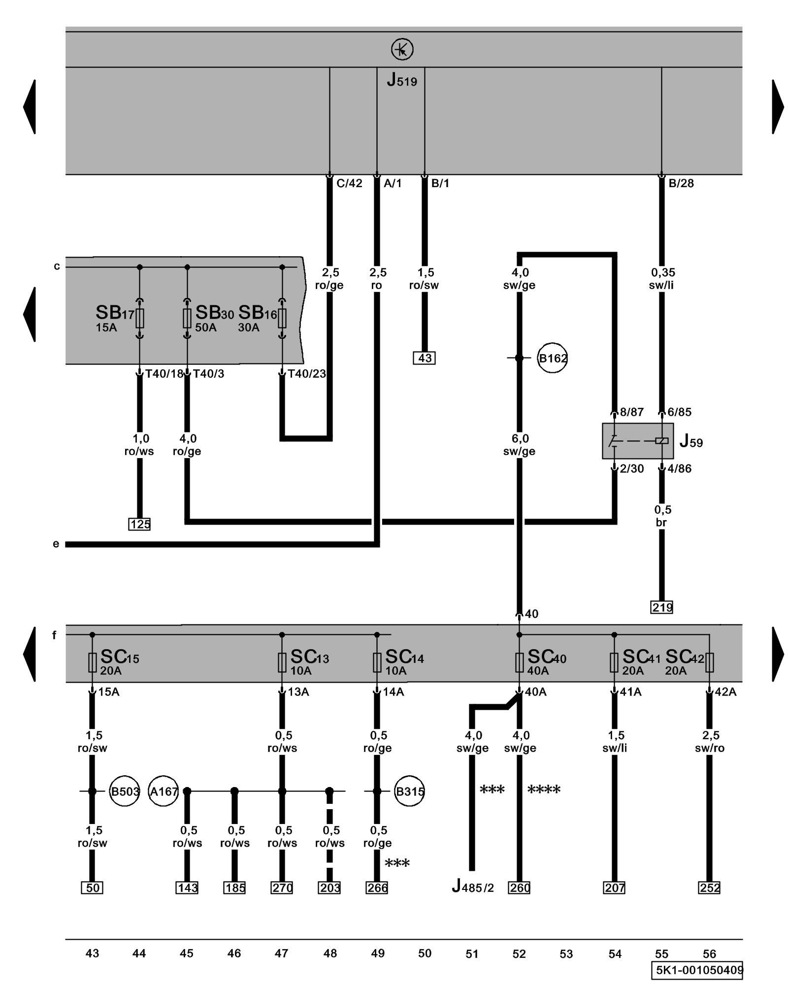
Diagram 1/5 (Tracks 43-56)
IMPORTANT NOTE:
This manufacturer uses "Track" style wiring diagrams.
For information on how to use these diagrams effectively, please refer to Diagram Information and Instructions. Diagram Information and Instructions
Load Reduction Relay, Fuses

ws = white
sw = black
ro = red
br = brown
gn = green
bl = blue
gr = grey
li = lilac
ge = yellow
or = orange
rs = pink
J59 - Load Reduction Relay (53) Overview Of Relay Carrier
J485 - Auxiliary Heater Operation Relay (not for models with Climatronic) Overview Of Relay Carrier
J519 - Vehicle Electrical System Control Module Control modules in front part of vehicle - Overview of Control Modules
SB16 - Fuse 16 (on fuse panel B) Fuse overview (SA), (SB), (SC)
SB17 - Fuse 17 (on fuse panel B) Fuse overview (SA), (SB), (SC)
SB30 - Fuse 30 (on fuse panel B) Fuse overview (SA), (SB), (SC)
SC13 - Fuse 13 (on fuse panel C) Fuse overview (SA), (SB), (SC)
SC14 - Fuse 14 (on fuse panel C) Fuse overview (SA), (SB), (SC)
SC15 - Fuse 15 (on fuse panel C) Fuse overview (SA), (SB), (SC)
SC40 - Fuse 40 (on fuse panel C) Fuse overview (SA), (SB), (SC)
SC41 - Fuse 41 (on fuse panel C) Fuse overview (SA), (SB), (SC)
SC42 - Fuse 42 (on fuse panel C) Fuse overview (SA), (SB), (SC)
T40 - 40-Pin Connector
(A167) - Plus Connection 3 (30a) (in instrument panel wiring harness)
(B162) - Connection (75a) (in interior wiring harness)
(B315) - Plus Connection 1 (30a) (in main wiring harness)
(B503) - Plus Connection 7 (30a) (in interior wiring harness)
*** - Only models with auxiliary heater
**** - Only models without auxiliary heater
--- - Only models with rain/light recognition sensor
Previous Diagram 1/4 (Tracks 29-42)
Next Diagram 1/6 (Tracks 57-70)