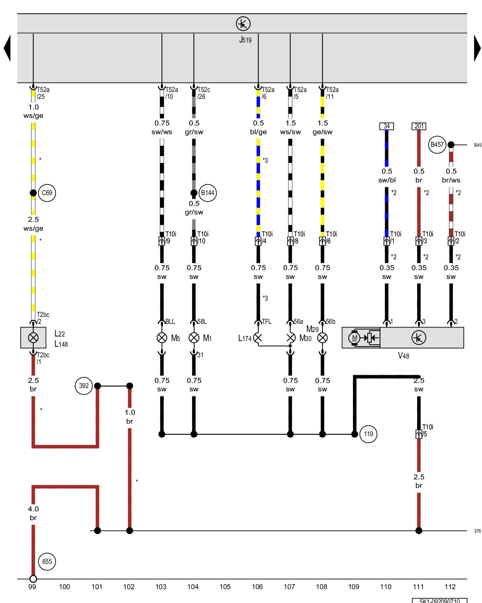
Diagram 92/9 (Tracks 99-112)
IMPORTANT NOTE:
This manufacturer uses "Track" style wiring diagrams.
For information on how to use these diagrams effectively, please refer to Diagram Information and Instructions. Diagram Information and Instructions
Left front fog lamp bulb, Left cornering lamp bulb, Left daytime running lamp bulb, Left side marker lamp bulb, Left front turn signal bulb, Left low beam headlamp bulb, Left high beam headlamp bulb, Left headlamp beam adjustment motor

ws = white
sw = black
ro = red
br = brown
gn = green
bl = blue
gr = grey
li = lilac
ge = yellow
or = orange
rs = pink
J519 - Vehicle electrical system control module Control modules in front part of vehicle - Overview of Control Modules
L22 - Left front fog lamp bulb
L148 - Left cornering lamp bulb
L174 - Left daytime running lamp bulb
M1 - Left side marker lamp bulb
M5 - Left front turn signal bulb
M29 - Left low beam headlamp bulb
M30 - Left high beam headlamp bulb
T2bc - Double connector
T10i - 10-pin connector, on the left headlamp
T52a - 52-pin connector
T52c - 52-pin connector
V48 - Left headlamp beam adjustment motor
(119) - Ground connection 1 (in headlamp wiring harness)
(376) - Ground connection 11 (in main wiring harness)
(392) - Ground connection 27 (in main wiring harness)
(655) - Ground connection on left headlamp
(B144) - Positive connection (58L) (in interior wiring harness)
(B457) - Position sensor connection 1 (in main wiring harness)
(C69) - Fog lamp connection (in left front wiring harness)
* - Only for vehicles with fog lamps
*2 - Only for vehicles without automatic headlamp range control
*3 - Only for vehicles with daytime running lamps
Previous Diagram 92/8 (Tracks 85-98)
Next Diagram 92/10 (Tracks 113-126)