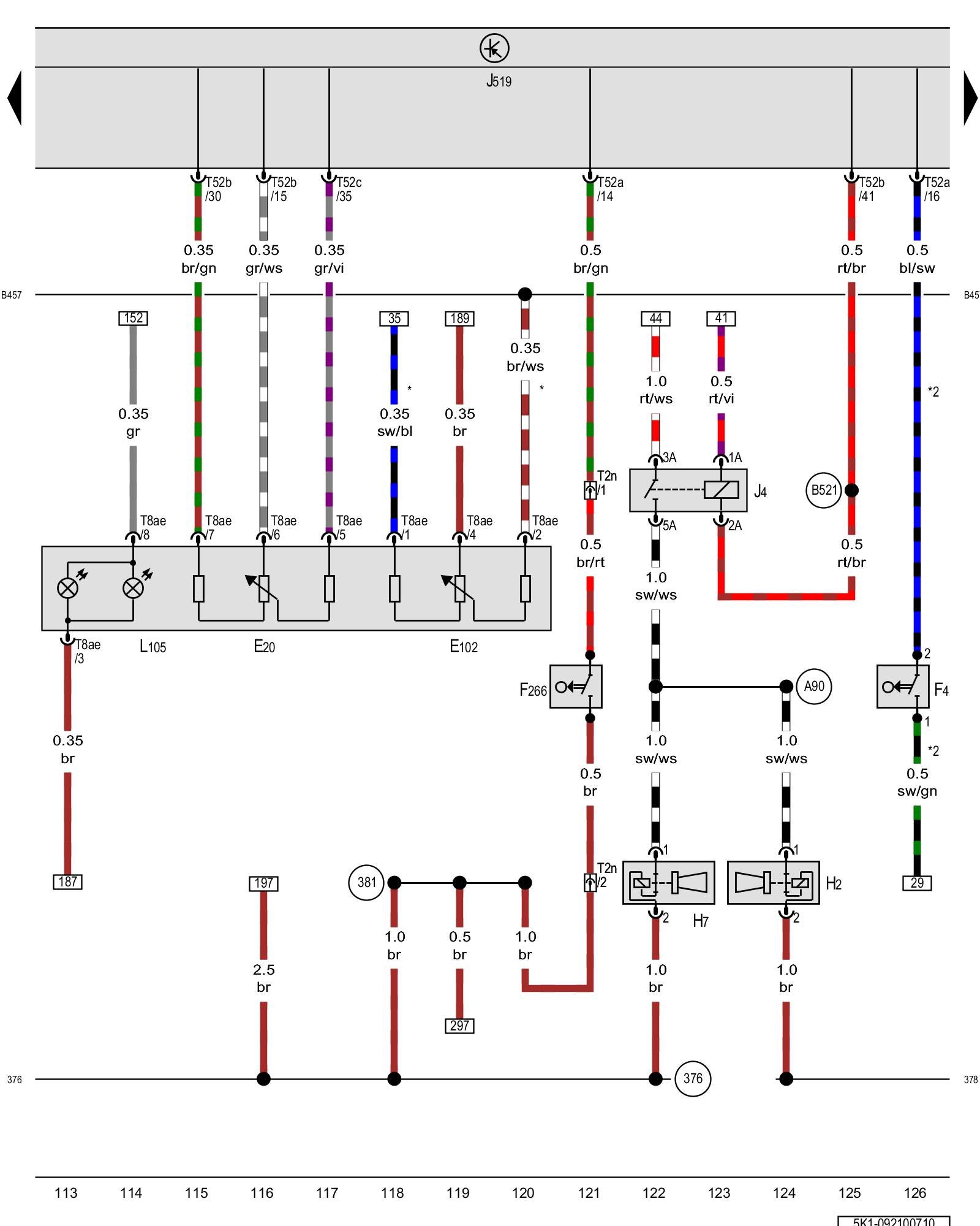
Diagram 92/10 (Tracks 113-126)
IMPORTANT NOTE:
This manufacturer uses "Track" style wiring diagrams.
For information on how to use these diagrams effectively, please refer to Diagram Information and Instructions. Diagram Information and Instructions
Instrument panel and switch illumination dimmer switch, Headlamp range control adjuster, Back-up lamp switch, Engine hood contact switch, High tone horn, Low tone horn, Dual tone horn relay

ws = white
sw = black
ro = red
br = brown
gn = green
bl = blue
gr = grey
li = lilac
ge = yellow
or = orange
rs = pink
E20 - Instrument panel and switch illumination dimmer switch
E102 - Headlamp range control adjuster
F4 - Back-up lamp switch
Direct Shift Gearbox (DSG)
F266 - Engine hood contact switch Locations
H2 - High tone horn Anti-Theft System
H7 - Low tone horn Anti-Theft System
J4 - Dual tone horn relay Overview Of Relay Carrier
J519 - Vehicle electrical system control module Control modules in front part of vehicle - Overview of Control Modules
L105 - Lighting control illumination bulb
T2n - Double connector, near the left headlamp
T8ae - 8-pin connector
T52a - 52-pin connector
T52b - 52-pin connector
T52c - 52-pin connector
(376) - Ground connection 11 (in main wiring harness)
(378) - Ground connection 13 (in main wiring harness)
(381) - Ground connection 16 (in main wiring harness)
(A90) - Dual tone horn connection (in instrument panel wiring harness)
(B457) - Position sensor connection 1 (in main wiring harness)
(B521) - Dual tone horn connection (in main wiring harness)
* - Only for vehicles without automatic headlamp range control
*2 - only for vehicles with dual clutch transmission
Previous Diagram 92/9 (Tracks 99-112)
Next Diagram 92/11 (Tracks 127-140)