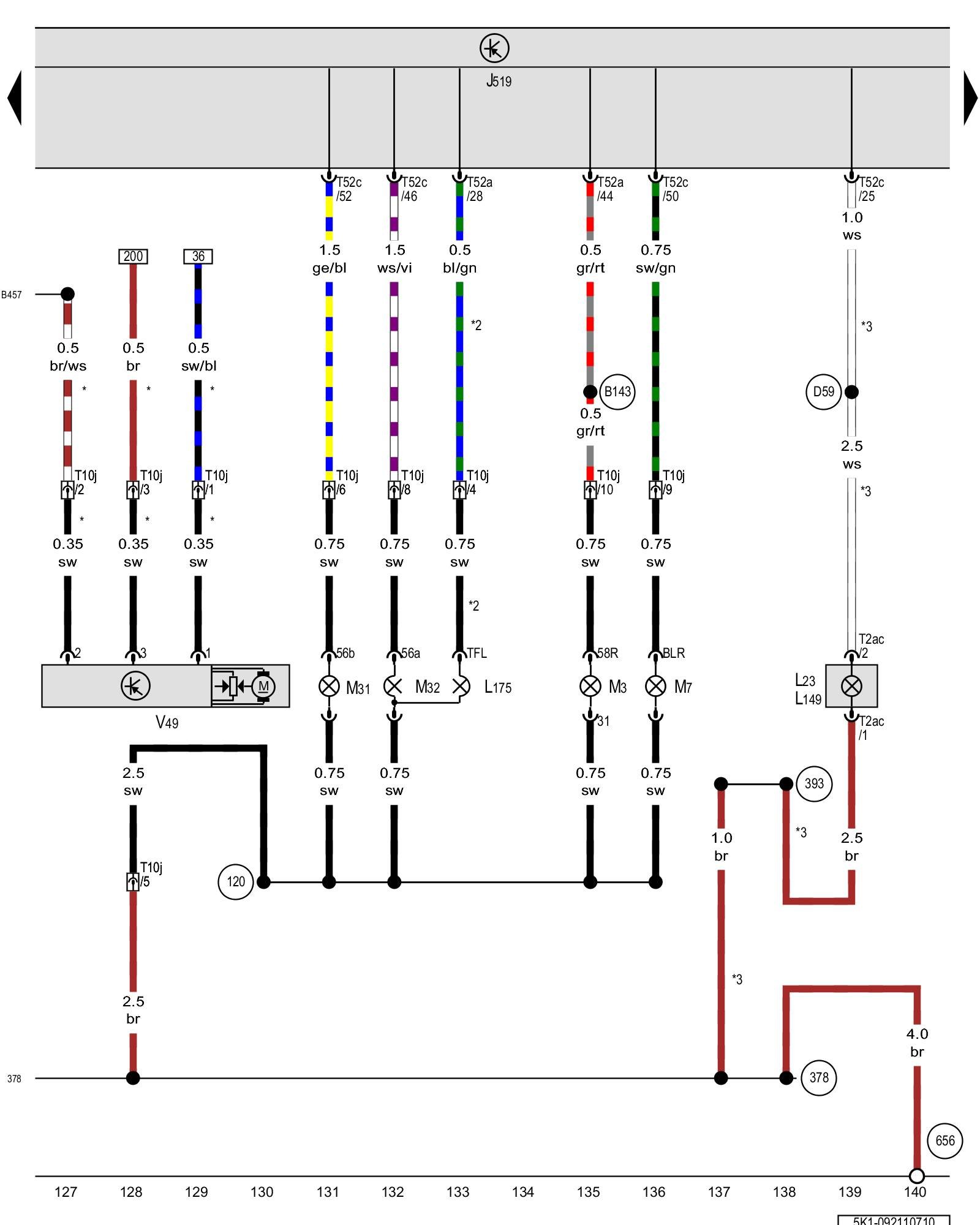
Diagram 92/11 (Tracks 127-140)
IMPORTANT NOTE:
This manufacturer uses "Track" style wiring diagrams.
For information on how to use these diagrams effectively, please refer to Diagram Information and Instructions. Diagram Information and Instructions
Right front fog lamp bulb, Right cornering lamp bulb, Right side marker lamp bulb, Right front turn signal bulb, Right low beam headlamp bulb, Right high beam headlamp bulb, Right headlamp beam adjustment motor

ws = white
sw = black
ro = red
br = brown
gn = green
bl = blue
gr = grey
li = lilac
ge = yellow
or = orange
rs = pink
J519 - Vehicle electrical system control module Control modules in front part of vehicle - Overview of Control Modules
L23 - Right front fog lamp bulb
L149 - Right cornering lamp bulb
L175 - Right daytime running lamp bulb
M3 - Right side marker lamp bulb
M7 - Right front turn signal bulb
M31 - Right low beam headlamp bulb
M32 - Right high beam headlamp bulb
T2ac - Double connector
T10j - 10-pin connector, on the right headlamp
T52a - 52-pin connector
T52c - 52-pin connector
V49 - Right headlamp beam adjustment motor
(120) - Ground connection 2 (in headlamp wiring harness)
(378) - Ground connection 13 (in main wiring harness)
(393) - Ground connection 28 (in main wiring harness)
(656) - Ground connection on right headlamp
(B143) - Positive connection (58R) (in interior wiring harness)
(B457) - Position sensor connection 1 (in main wiring harness)
(D59) - Fog lamp connection (in engine compartment wiring harness)
* - Only for vehicles without automatic headlamp range control
*2 - Only for vehicles with daytime running lamps
*3 - Only for vehicles with fog lamps
Previous Diagram 92/10 (Tracks 113-126)
Next Diagram 92/12 (Tracks 141-154)