Operation CHARM: Car repair manuals for everyone.

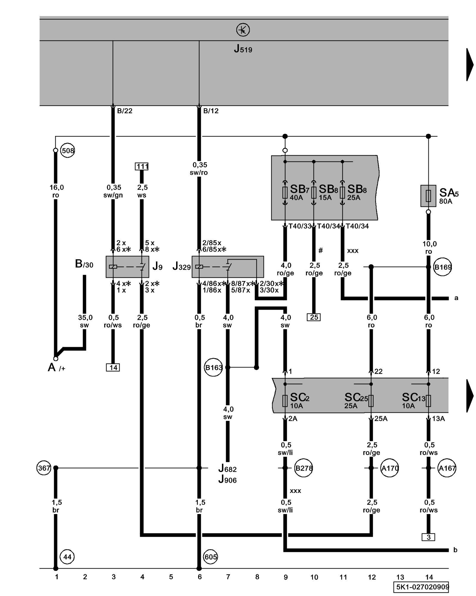
Diagram 27/2 (Tracks 1-14)






IMPORTANT NOTE:
This manufacturer uses "Track" style wiring diagrams.
For information on how to use these diagrams effectively, please refer to Diagram Information and Instructions. Diagram Information and Instructions


Rear Window Defogger Relay, Power Supply Relay (terminal 15)





ws = white
sw = black
ro = red
br = brown
gn = green
bl = blue
gr = grey
li = lilac
ge = yellow
or = orange
rs = pink

A - Battery

B - Starter

J9 - Rear Window Defogger Relay Overview Of Relay Carrier

J329 - Power Supply Relay (terminal 15) (53) Overview Of Relay Carrier

J519 - Vehicle Electrical System Control Module Control modules in front part of vehicle - Overview of Control Modules

J682 - Power Supply Relay (terminal 50) Overview Of Relay Carrier

J906 - Starter Relay 1 Overview Of Relay Carrier

SA5 - Fuse 5 (on fuse panel A) Fuse overview (SA), (SB), (SC)

SB7 - Fuse 7 (on fuse panel B) Fuse overview (SA), (SB), (SC)

SB8 - Fuse 8 (on fuse panel B) Fuse overview (SA), (SB), (SC)

SC2 - Fuse 2 (on fuse panel C) Fuse overview (SA), (SB), (SC)

SC13 - Fuse 13 (on fuse panel C) Fuse overview (SA), (SB), (SC)

SC25 - Fuse 25 (on fuse panel C) Fuse overview (SA), (SB), (SC)

T40 - 40-Pin Connector

(44) - Ground Connection (on left lower A-pillar) Overview Of Ground Connections in Interior

(367) - Ground Connection 2 (in main wiring harness)

(508) - Threaded Connection terminal 30 (on electronics box)

(605) - Ground Connection (on upper steering column) Overview Of Ground Connections in Interior

(A167) - Plus Connection 3 (30a) (in instrument panel wiring harness)

(B170) - Plus Connection 2 (30) (in interior wiring harness)

(B163) - Plus Connection 1 (15) (in interior wiring harness)

(B169) - Plus Connection 1 (30) (in interior wiring harness)

(B278) - Plus Connection 2 (15a) (in main wiring harness)

# - Only models without stop/start system

xxx - Only models with stop/start system

x - From November 2009

x* - Through October 2009

Next Diagram 27/3 (Tracks 15-28)