Operation CHARM: Car repair manuals for everyone.

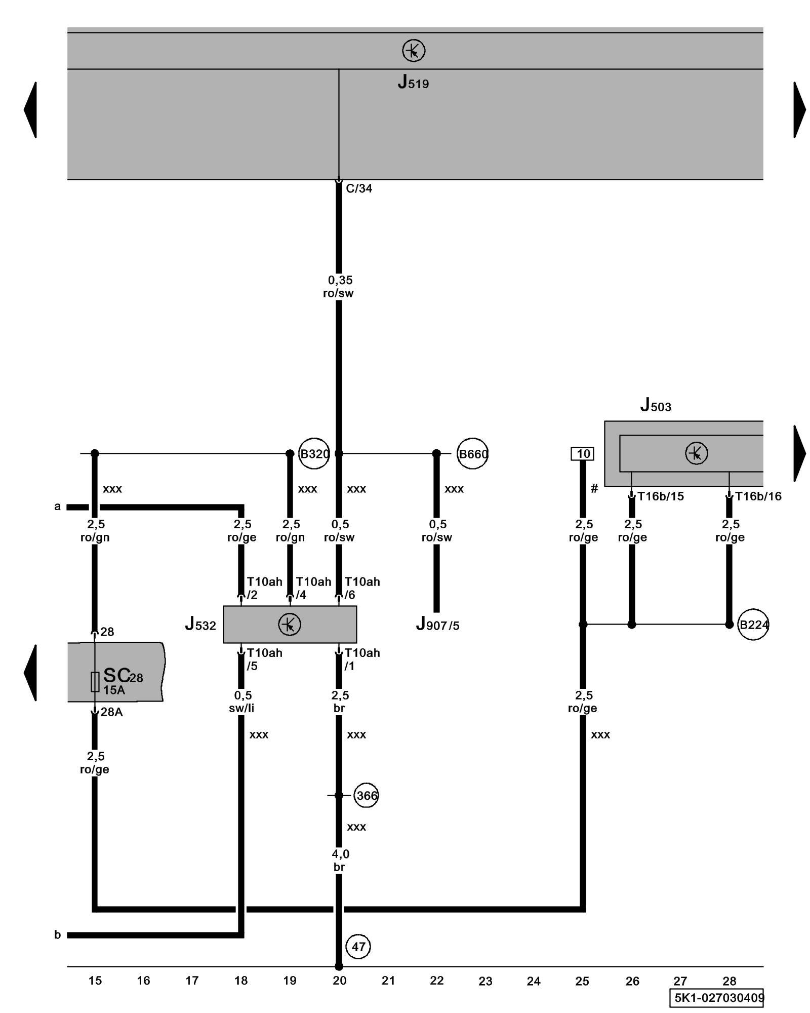
Diagram 27/3 (Tracks 15-28)






IMPORTANT NOTE:
This manufacturer uses "Track" style wiring diagrams.
For information on how to use these diagrams effectively, please refer to Diagram Information and Instructions. Diagram Information and Instructions


Radio/Navigation Display Control Module, Voltage Stabilizer





ws = white
sw = black
ro = red
br = brown
gn = green
bl = blue
gr = grey
li = lilac
ge = yellow
or = orange
rs = pink

J503 - Radio/Navigation Display Control Module
Locations

J519 - Vehicle Electrical System Control Module Control modules in front part of vehicle - Overview of Control Modules

J532 - Voltage Stabilizer

J907 - Starter Relay 2 Overview Of Relay Carrier

SC28 - Fuse 28 (on fuse panel C) Fuse overview (SA), (SB), (SC)

T10ah - 10-Pin Connector

T16b - 16-Pin Connector

(47) - Ground Connection (in front right footwell) Overview Of Ground Connections in Interior

(366) - Ground Connection 1 (in main wiring harness)

(B224) - Radio Connection 1 (in interior wiring harness)

(B320) - Plus Connection 6 (30a) (in main wiring harness)

(B660) - Connection (diagnostic, terminal 50) in main wiring harness

# - Only models without stop/start system

xxx - Only models with stop/start system

Previous Diagram 27/2 (Tracks 1-14)

Next Diagram 27/4 (Tracks 29-42)