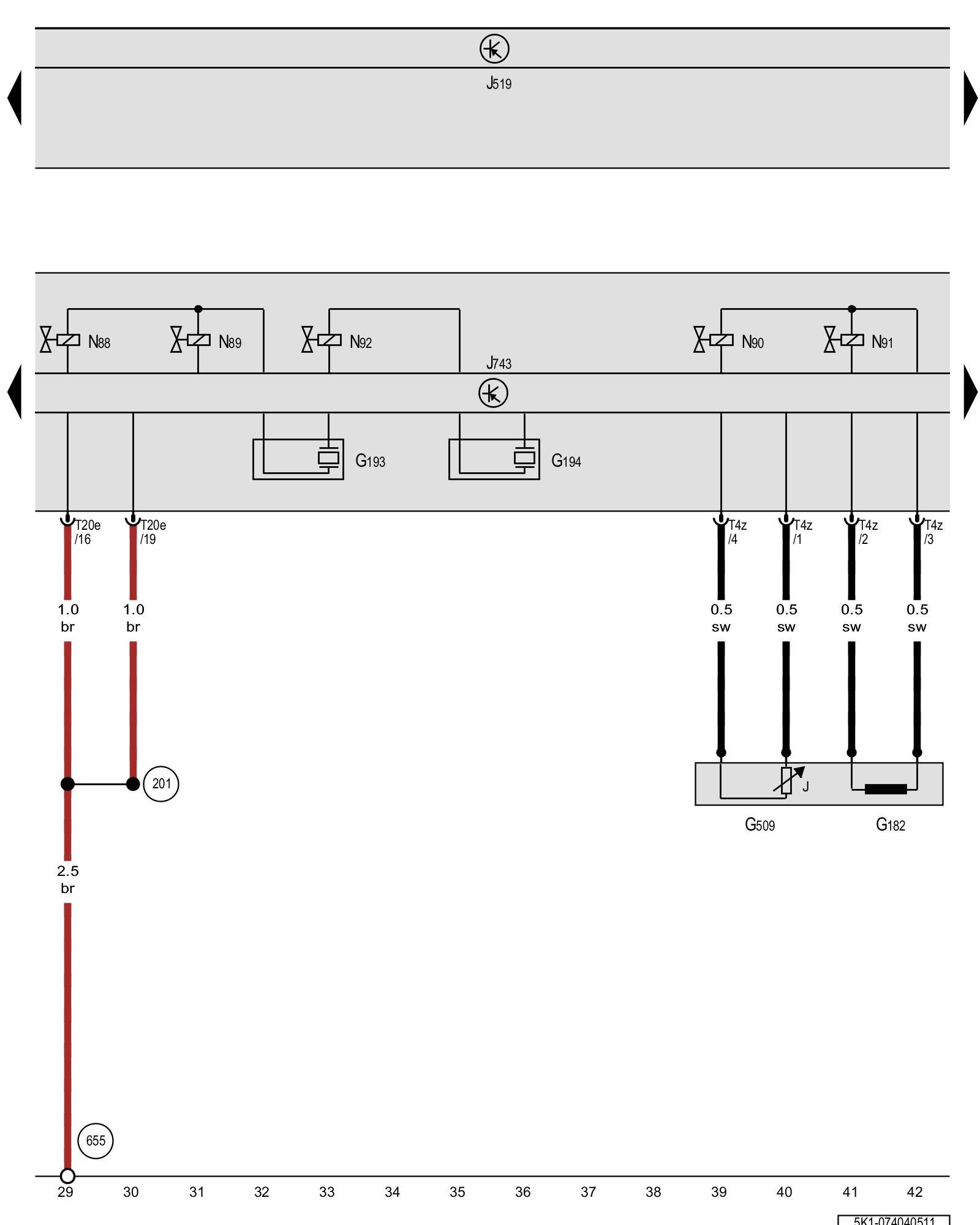
Diagram 74/4 (Tracks 29-42)
IMPORTANT NOTE:
This manufacturer uses "Track" style wiring diagrams.
For information on how to use these diagrams effectively, please refer to Diagram Information and Instructions. Diagram Information and Instructions
Transmission input speed sensor, Automatic transmission hydraulic pressure sensor 1, Automatic transmission hydraulic pressure sensor 2, Clutch oil temperature sensor, DSG transmission Mechatronic, Solenoid valve 1, Solenoid valve 2, Solenoid valve 4, Solenoid valve 5

ws = white
sw = black
ro = red
br = brown
gn = green
bl = blue
gr = grey
li = lilac
ge = yellow
or = orange
rs = pink
G182 - Transmission input speed sensor
Direct Shift Gearbox (DSG)
Transmission Fluid Temperature Sensor -G93- / Transmission Input Speed Sensor -G182- / Transmission Output Speed Sensor -G195-
G193 - Automatic transmission hydraulic pressure sensor 1
Direct Shift Gearbox (DSG)
G194 - Automatic transmission hydraulic pressure sensor 2
Direct Shift Gearbox (DSG)
G509 - Clutch oil temperature sensor
Direct Shift Gearbox (DSG)
J519 - Vehicle electrical system control module Control modules in front part of vehicle - Overview of Control Modules
J743 - DSG transmission Mechatronic, in the transmission Direct Shift Gearbox (DSG) Connector Views
N88 - Solenoid valve
Direct Shift Gearbox (DSG)
Transmission Valve Body Solenoids: N88, N89, N90, N91, N92, N93, N282,N283
N89 - Solenoid valve 2
Direct Shift Gearbox (DSG)
Transmission Valve Body Solenoids: N88, N89, N90, N91, N92, N93, N282,N283
N90 - Solenoid valve 3
Direct Shift Gearbox (DSG)
Transmission Valve Body Solenoids: N88, N89, N90, N91, N92, N93, N282,N283
N91 - Solenoid valve 4
Direct Shift Gearbox (DSG)
Transmission Valve Body Solenoids: N88, N89, N90, N91, N92, N93, N282,N283
N92 - Solenoid valve 5
Direct Shift Gearbox (DSG)
Transmission Valve Body Solenoids: N88, N89, N90, N91, N92, N93, N282,N283
T4z - 4-pin connector
T20e - 20-pin connector
(201) - Ground connection 5 (in engine compartment wiring harness)
(655) - Ground connection on left headlamp Overview Of Ground Connections in Engine Compartment
Previous Diagram 74/3 (Tracks 15-28)
Next Diagram 74/5 (Tracks 43-56)