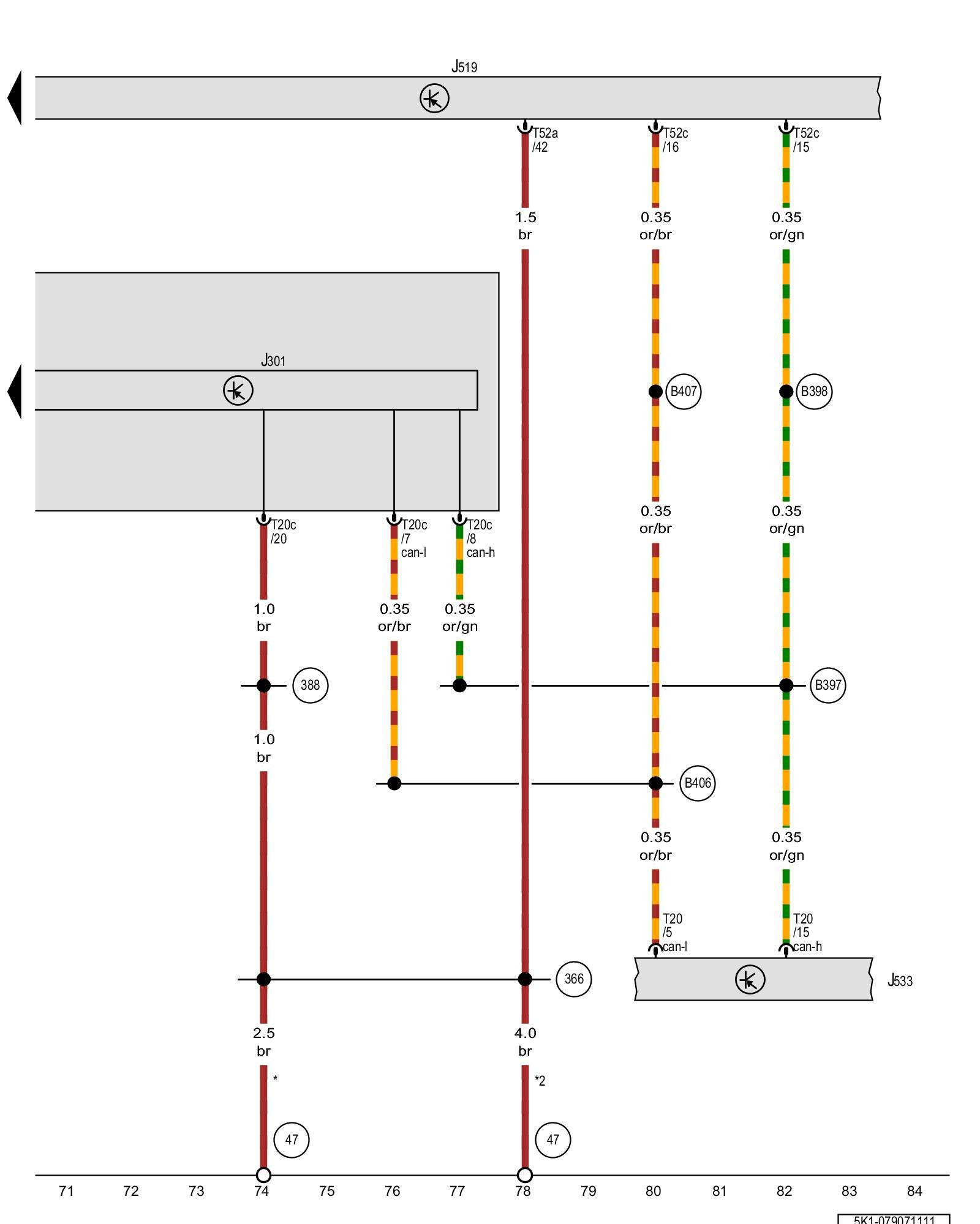
Diagram 79/7 (Tracks 71-84)
IMPORTANT NOTE:
This manufacturer uses "Track" style wiring diagrams.
For information on how to use these diagrams effectively, please refer to Diagram Information and Instructions. Diagram Information and Instructions
A/C control module, Data bus on board diagnostic interface

ws = white
sw = black
ro = red
br = brown
gn = green
bl = blue
gr = grey
li = lilac
ge = yellow
or = orange
rs = pink
J301 - A/C control module, in the instrument panel, center Climatic (Manual Climate Control) A/C System w/ Manual Control Overview A/C Control Module -J301-
J519 - Vehicle electrical system control module Control modules in front part of vehicle - Overview of Control Modules
J533 - Data bus on board diagnostic interface, in the left footwell, near the center console Control modules in front part of vehicle - Overview of Control Modules
T20 - 20-pin connector
T20c - 20-pin connector
T52a - 52-pin connector
T52c - 52-pin connector
(47) - Ground connection in right front footwell Overview Of Ground Connections in Interior
(366) - Ground connection 1 (in main wiring harness)
(388) - Ground connection 23 (in main wiring harness)
(B397) - Comfort system CAN bus high connection 1 (in main wiring harness)
(B398) - Comfort system CAN bus high connection 2 (in main wiring harness)
(B406) - Comfort system CAN bus low connection 1 (in main wiring harness)
(B407) - Comfort system CAN bus low connection 2 (in main wiring harness)
* - Only for vehicles without Start/Stop system
*2 - Only for vehicles with Start/Stop system
Previous Diagram 79/6 (Tracks 57-70)