Fuel Tank and Attachments Overview
Fuel Tank and Attachments Overview
• Fuel hoses at the engine may only be secured with spring type clamps appropriate for the model type.
• Hose clip pliers (VAS 6340) or (VAS 6362) are recommended for installing space saving clamps.

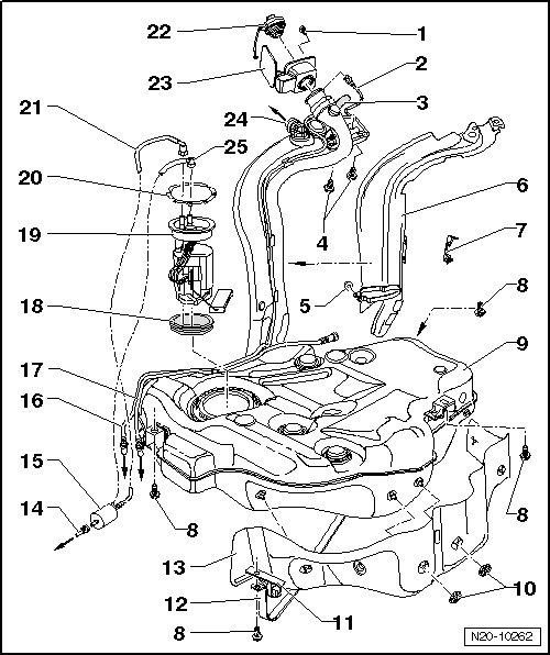
1 Bolt
2 Ground Connection
• Make sure it is secure.
3 Vacuum Line
• To the leak detection pump.
4 Bolt
• 10 Nm
5 Rivet
6 Protective Plate
• Riveted to the lower clamp at the factory.
• When replacing the fuel tank, lay the protective plate on filler tube and rivet the clamp.
7 Wire Bracket
• Clipped onto the protective plate.
8 Bolt
• 25 Nm
• Always replace.
• Only use bolts with loose washers to secure the fuel tank straps. The straps could twist when the bolts are tightened if other bolts are used. For the correct bolts, refer to the Parts Catalog.
9 Fuel Tank
• Support the fuel tank using the engine-/gearbox jack (V.A.G 1383 A).
• Removing and installing, refer to => [ Fuel Tank ] Fuel Tank.
10 Retainer
11 Exhaust System Bracket
12 Securing Strap
• Pay attention to the installed position.
13 Heat Shield
14 Supply Line
• To the fuel rail.
• Make sure it is secure.
15 Fuel Filter
• Installed position, refer to => [ Fuel Filter Installed Position ].
• The arrow points in the direction of flow.
16 Vacuum Line
• From the leak detection pump to the intake manifold.
• Clipped to the fuel tank.
• Make sure it is secure.
17 Vent Line
• From the Evaporative Emission (EVAP) canister to the EVAP canister purge regulator valve 1.
• Attached to the side of the fuel tank.
• Make sure it is secure.
18 Seal
• Always replace.
• Install the seal into the fuel tank opening dry.
• Lubricate with fuel only when installing the flange.
19 Fuel Delivery Unit
• Removing and installing, refer to => [ Fuel Delivery Unit ] Fuel Delivery Unit.
• If the fuel delivery unit was replaced, then it is necessary to adapt the Engine Control Module (ECM) to the fuel pump. Refer to "Guided Functions" in the vehicle diagnostic tester.
• Checking the fuel pump. Refer to => [ Fuel Pump, Checking ] Fuel Pump, Checking.
• Pay attention to the installed position on the fuel tank. Refer to => [ Fuel Delivery Unit Flange Installed Position ].
• With the fuel level sensor.
• Fuel level sensor removing and installing, refer to => [ Fuel Level Sensor G ] Removal and Replacement.
• Clean the screen if it is dirty.
20 Lock Ring
• 110 Nm
• Make sure it is secure.
• Use the wrench (T10202) for removal and installation.
21 Return line
• Blue
• Attached to the side of the fuel tank.
• Make sure it is secure.
22 Cap
• Replace if damaged.
23 Fuel Filler Door Unit
• With a rubber cup.
24 to the EVAP Canister
25 Supply Line
• Black
• Attached to the side of the fuel tank.
• Make sure it is secure.
Fuel Delivery Unit Flange Installed Position

• The tab - 2 - on the flange must lie between tabs - 1 and 3 - on the fuel tank.
• The - arrow - points in the direction of travel.
Fuel Filter Installed Position

The pin - 2 - on the filter housing must engage in the recess in the filter bracket - 1 -.